EasyManua.ls Logo

Cecilware HWD2 - Wiring Diagrams

Cecilware HWD2
12 pages
Print Icon
To Next Page IconTo Next Page
To Next Page IconTo Next Page
To Previous Page IconTo Previous Page
To Previous Page IconTo Previous Page
Loading...
Hot Water Dispensers Cecilware
®
9
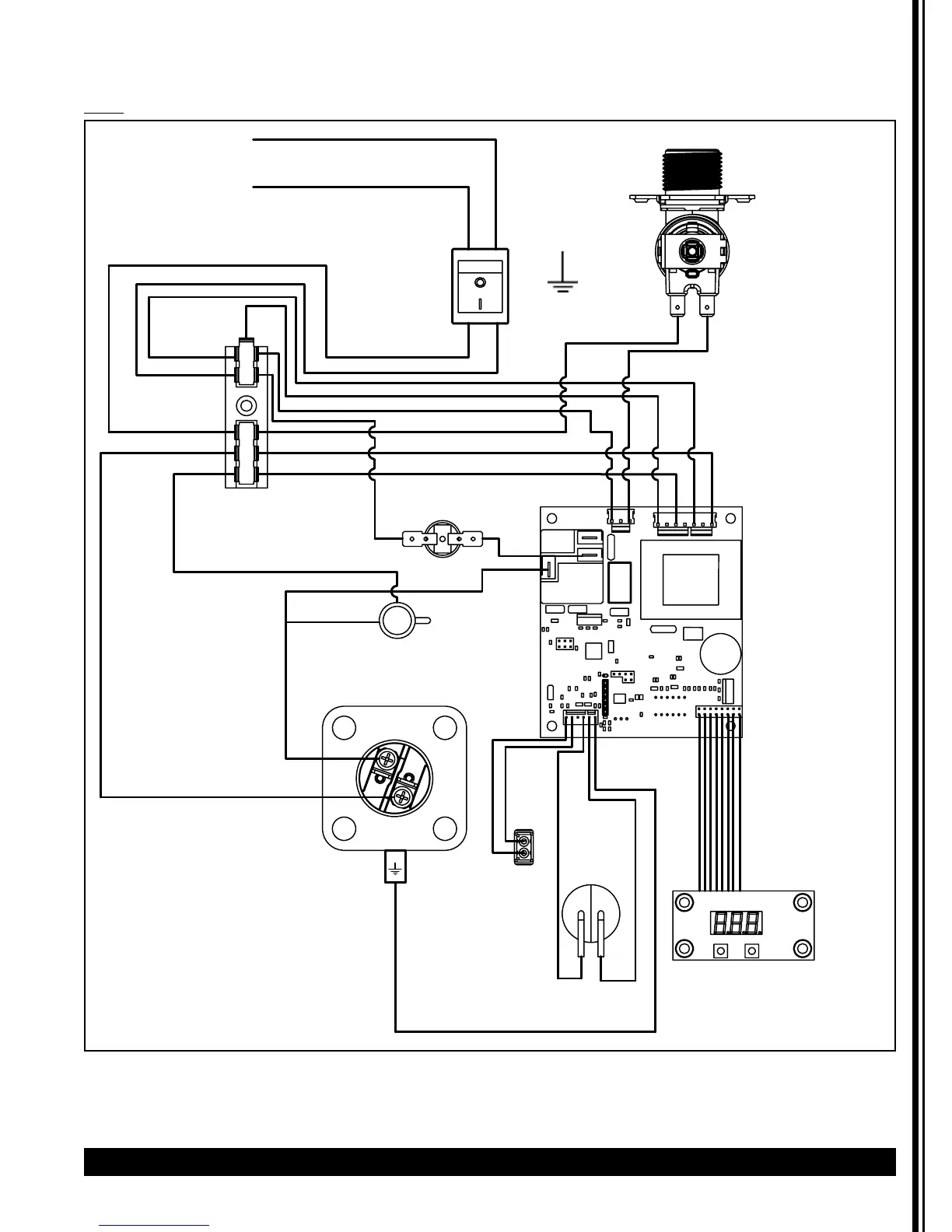
Wiring Diagram
120V
32:(5
6:,7&+
%
%
*
*
<
<
%/8
%/8
<
<
<
<
352%(
7+(50,6725
/(9(/
352%(
5
5
%
5
%
%
:$7(5,1/(7
9$/9(
+($7(5
/
19
:
7(50,1$/
%/2&.
&21752/
%2$5'
%
5,%%21&$%/(
5(027(',63/$<
5(027(',63/$<
+,/,0,7
+($7(5/,*+7
%/8
<(/
:
:
%
5
5
385
%<
%
:
:
:
:
:
:
:
:
:<
%
%
(
#:
8:


Other manuals for Cecilware HWD2