EasyManua.ls Logo

CellarCool cx2200 - CX2200 & CX3300 CONTROLLER WIRING SCHEMATIC

CellarCool cx2200
31 pages
Print Icon
To Next Page IconTo Next Page
To Next Page IconTo Next Page
To Previous Page IconTo Previous Page
To Previous Page IconTo Previous Page
Loading...
www.cellarcool.com | Page 17
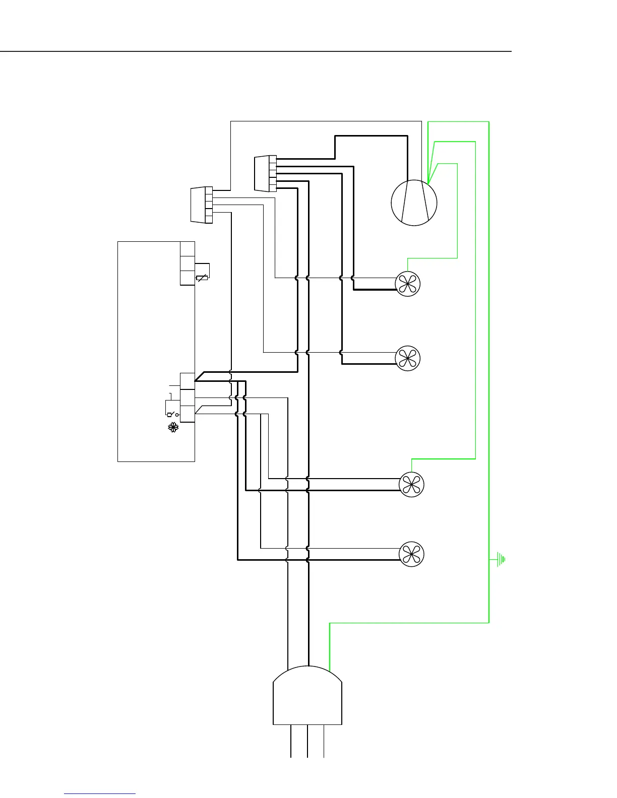
CX SERIES
cx2200 & cx3300 CONTROLLER WIRING SCHEMATIC
Cond.
Fan
Compressor
Cond.
Fan
Evap
Fan







Evap
Fan




 







Related product manuals