EasyManua.ls Logo

Central Pneumatic 68029 - Page 15

Central Pneumatic 68029
16 pages
Print Icon
To Next Page IconTo Next Page
To Next Page IconTo Next Page
To Previous Page IconTo Previous Page
To Previous Page IconTo Previous Page
Loading...
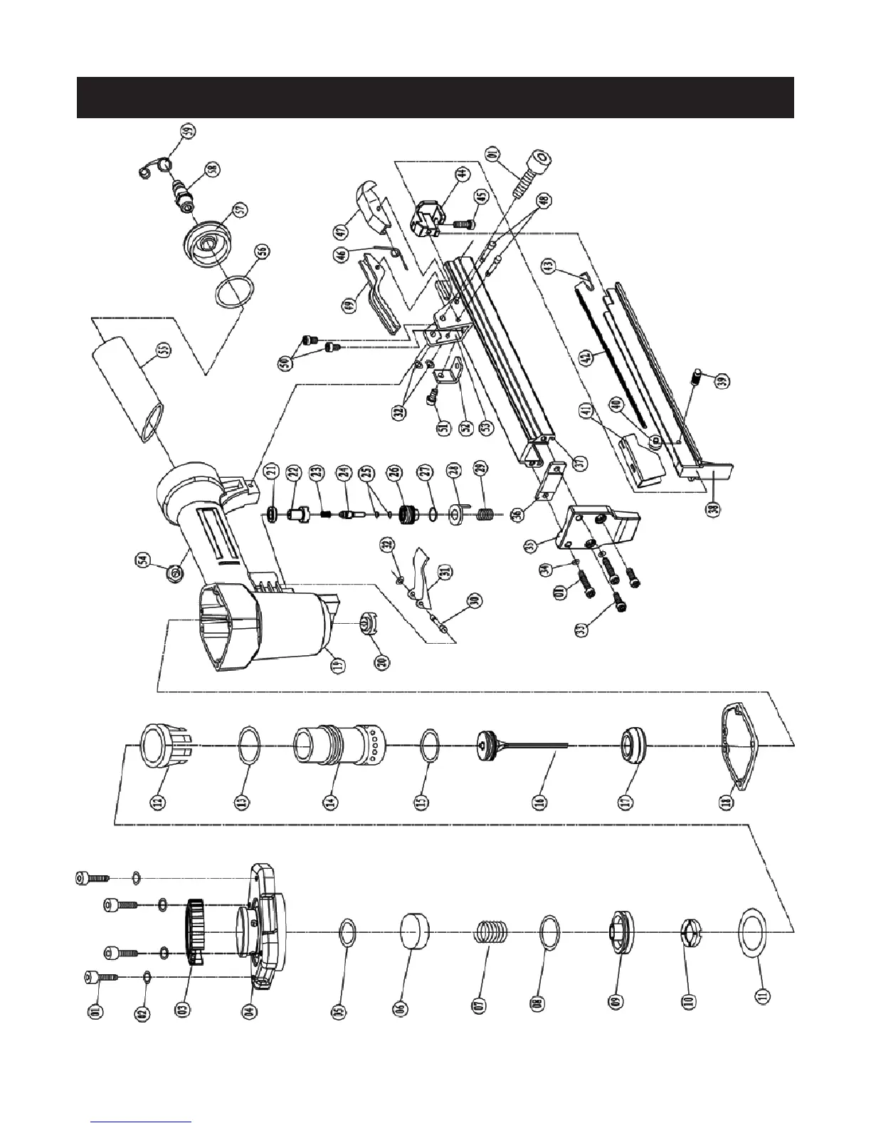
Page 15For technical questions, please call 1‑800‑444‑3353.SKU 68029
Assembly Diagram

Related product manuals