EasyManua.ls Logo

Central Pneumatic 94109 - Assembly Drawing

Central Pneumatic 94109
10 pages
Print Icon
To Next Page IconTo Next Page
To Next Page IconTo Next Page
To Previous Page IconTo Previous Page
To Previous Page IconTo Previous Page
Loading...
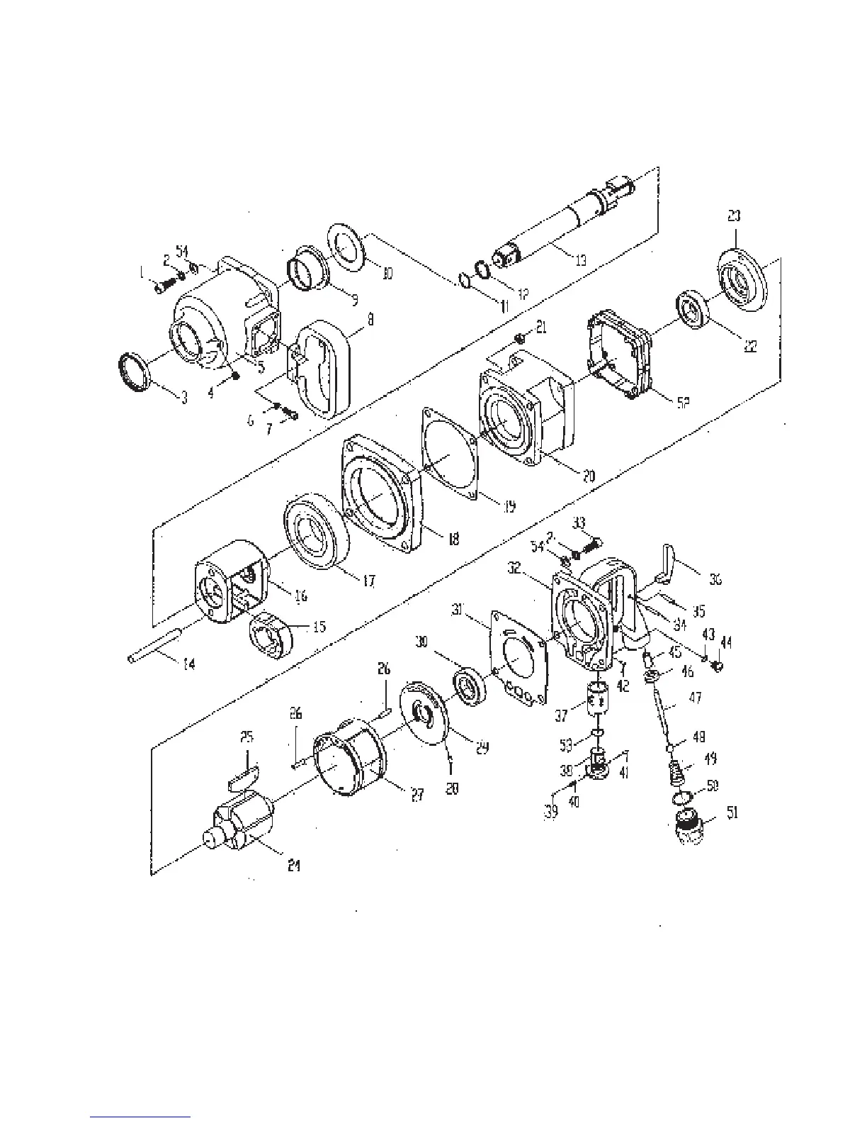
Page 9SKU 94109 For technical questions, please call 1-800-444-3353
Assembly Drawing
NOTE: Some parts are listed and shown for illustration purposes only and are not available
individually as replacement parts.

Related product manuals