EasyManua.ls Logo

CENTURION SYSTEMS V Series - Double Wired Closing Safety Beams Wiring

CENTURION SYSTEMS V Series
74 pages
Print Icon
To Next Page IconTo Next Page
To Next Page IconTo Next Page
To Previous Page IconTo Previous Page
To Previous Page IconTo Previous Page
Loading...
page 19www.CentSys.com
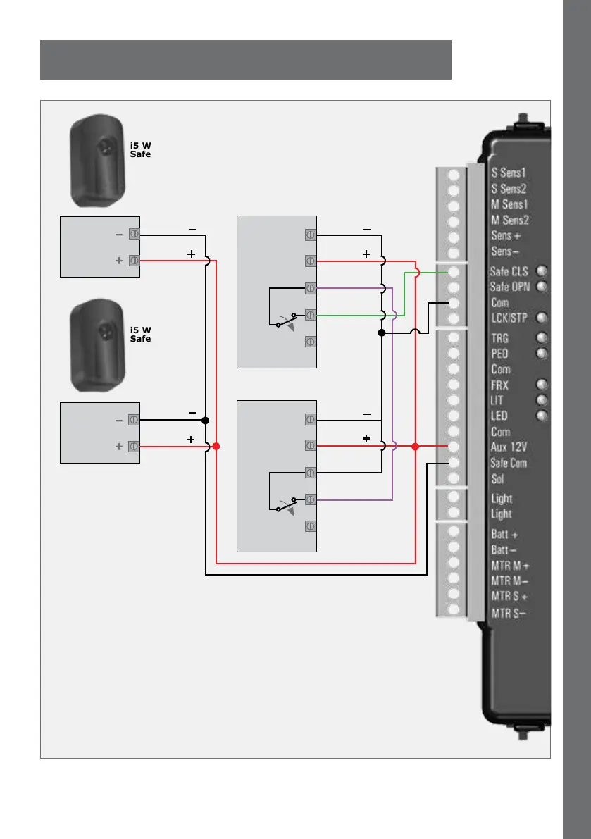
WIRING DIAGRAMS SECTION 8
8. Double Wired Closing Safety Beams
FIGURE 10. DOUBLE WIRED CLOSING SAFETY BEAMS
12V/24V
12V/24V
Wired
IRB
Transmitter
Wired
IRB
Transmitter
12V/24V
12V/24V
IRB Receiver
IRB Receiver
12V/24V
12V/24V
COM
COM
N/C
N/C
N/O
N/O
12V/24V
12V/24V
i5 Wired
Safety Beams
i5 Wired
Safety Beams