EasyManua.ls Logo

Certikin HPP110 - Schema Elettrico Della PC

Default Icon
143 pages
Print Icon
To Next Page IconTo Next Page
To Next Page IconTo Next Page
To Previous Page IconTo Previous Page
To Previous Page IconTo Previous Page
Loading...
italiano
POMPA DI CALORE BLP / BL
Y
· I cavi devono essere installati correttamente in modo da non causare interferenze (inseriti in passacavi).
· La pompa di calore è concepita per essere collegata ad unalimentazione generale con messa a terra.
· Sezione del cavo. Questa sezione è indicativa e deve essere verificata ed adattata secondo le esigenze e le condizioni
dellimpianto.
· La tolleranza di variazione di tensione accettabile è di +/- 10% durante il funzionamento.
D.
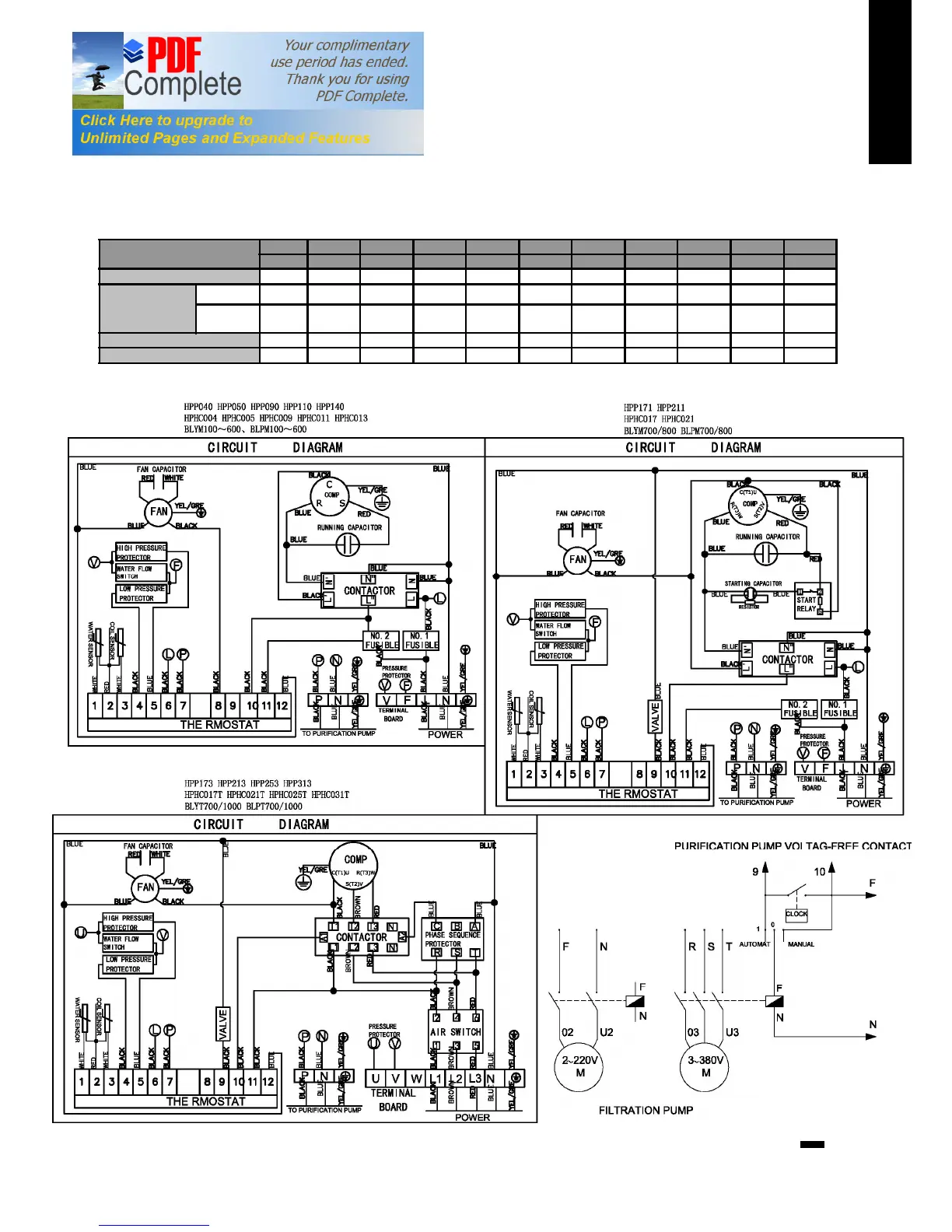
Schema
elettrico della
PC
87
MODELLO
HPP040 HPP050 HPP090 HPP110 HPP140 HPP171 HPP173 HPP211 HPP213 HPP253 HPP313
HPHC004 HPHC005 HPHC009 HPHC011 HPHC013 HPHC017 HPHC017T HPHC021 HPHC021T HPHC025T HPHC031T
VOLTAGGIO / FREQUENZA (V/Ph/Hz) 230/1/50 230/1/50 230/1/50 230/1/50 230/1/50 230/1/50 380/3/50 230/1/50 380/3/50 380/3/50 380/3/50
DISPOSITIVO DI
PROTEZIONE
ANTI -
CORTOCIRCUITO
CORRENTE
NOMINALE
2,5 A 3,8 A 8,3 A 9,2 A 12,0 A 16,0 A 6,0 A 21 A 7,8 A 9,6 A 10,2 A
LIMITE DI
CORRENTE
RESIDUA
20mA 25mA 30mA 35mA 45 mA 60 mA 25 mA 100 mA 35 mA 40 mA 45 mA
CALIBRO DEL FUSIBILE 16 A 16 A 20 A 32 A 32 A 40 A 20 A 60 A 20 A 20 A 25 A
CALIBRO DELLALIMENTAZIONE 3 x 1,0 3 x 1,0 3 x 2,5 3 x 2,5 3 x 2,5 3 x 4 5 x 2,5 3 x 4 5 x 2,5 5 x 2,5 5 x 2,5

Table of Contents

Related product manuals