EasyManua.ls Logo

CESAB BT BLITZ 316 - Connection of the Auxiliary Circuit - Dual Ac2 Unit Traction; Cables Assembly Instructions

Default Icon
234 pages
Print Icon
To Next Page IconTo Next Page
To Next Page IconTo Next Page
To Previous Page IconTo Previous Page
To Previous Page IconTo Previous Page
Loading...
chapter 5000
page 13
1,2 - 2,0 t A.C.
SERVICE MANUAL
Electric
036-0410-07
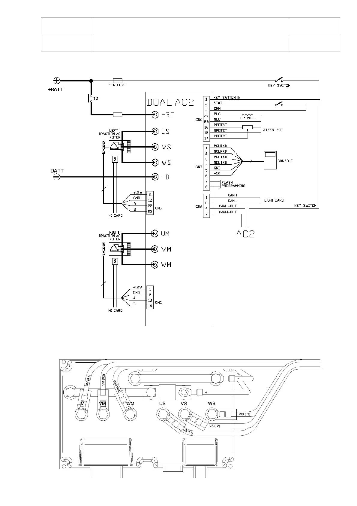
CONNECTION OF THE AUXILIARY CIRCUIT - DUAL AC2 UNIT TRACTION
CABLES ASSEMBLY INSTRUCTIONS

Table of Contents

Related product manuals