EasyManua.ls Logo

Cessna 172P - Page 146

Cessna 172P
358 pages
Print Icon
To Next Page IconTo Next Page
To Next Page IconTo Next Page
To Previous Page IconTo Previous Page
To Previous Page IconTo Previous Page
Loading...
SECTION
7
AIRPLANE
&
SYSTEMS
DESCR,IPTIONS
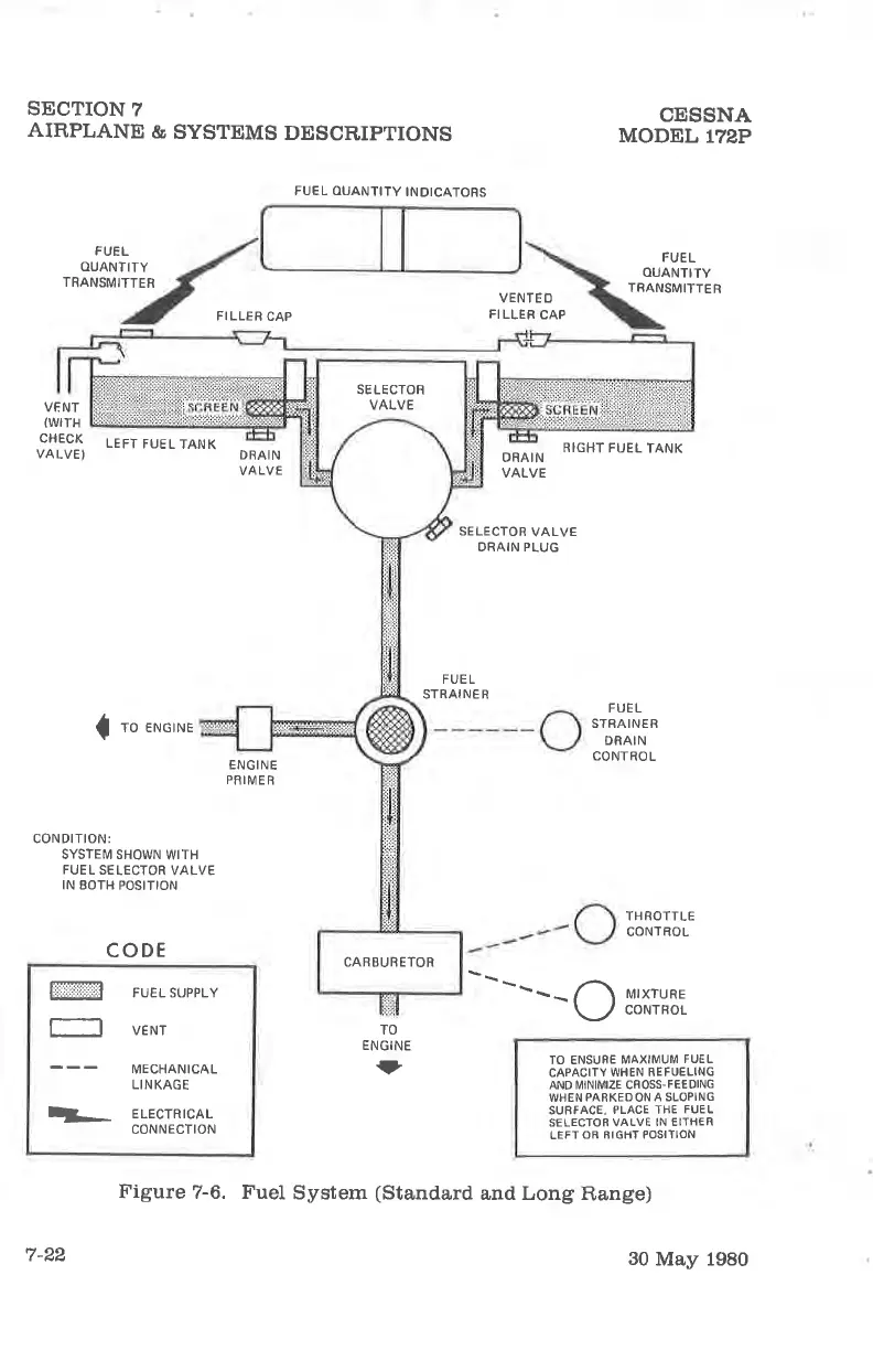
FUEL OUANTITY
INDICATORS
CESSNA
MODEL
172P
FUE
L
OUANTITY
TRANSMITTER
FUE
L
OUANTITY
TRANSMITTER
VFNT
(WITH
CHECK
VALVEI
FI LLER
CAP
VENTEO
FI LLER
CAP
DRAIN
VALVE
SELECTOR
VALVE
DRAIN PLUG
RIGHT
FUEL
TANK
LE
FT FUE
L TAN
K
{
TO ENGINE
CODE
DRAIN
VALVE
ENGINE
PEIMER
FUE L
STRAINER
FUE L
STRAINER
DRAIN
CONTROL
CONDITION:
SYSIEM SHOWN
WITH
FUEL
SELECTOR
VALVE
IN EOTH POSITION
TO
ENGINE
?
______o
THROTTLE
CONTROL
MIXTURE
CONTROL
TO ENSURE
MAXIMUM
FUEL
CAPACITY
WHEN REFUELING
AND IVìNIMIZE CROSS-FEEDING
WHEN
PARKED
ON
A SLOPING
SURFACE,
PLACE THE
FUEL
SELECTOR VALVE
IN EITHER
LEFT
OR RI6HT POSIIION
Figure
7-6. Fuel
System
(Standard
and Long
Range)
SE LECTOF
VALVE
CARBUBETOR
l:iti::::::i::rjt;::;:l
Þ
FUEL SUPPLY
VENT
MECHANICAL
LINKAGE
ELECTRICAL
CONNECTION
7-22
30
May 1980

Table of Contents

Other manuals for Cessna 172P

Related product manuals