EasyManua.ls Logo

Cessna 525C - Page 47

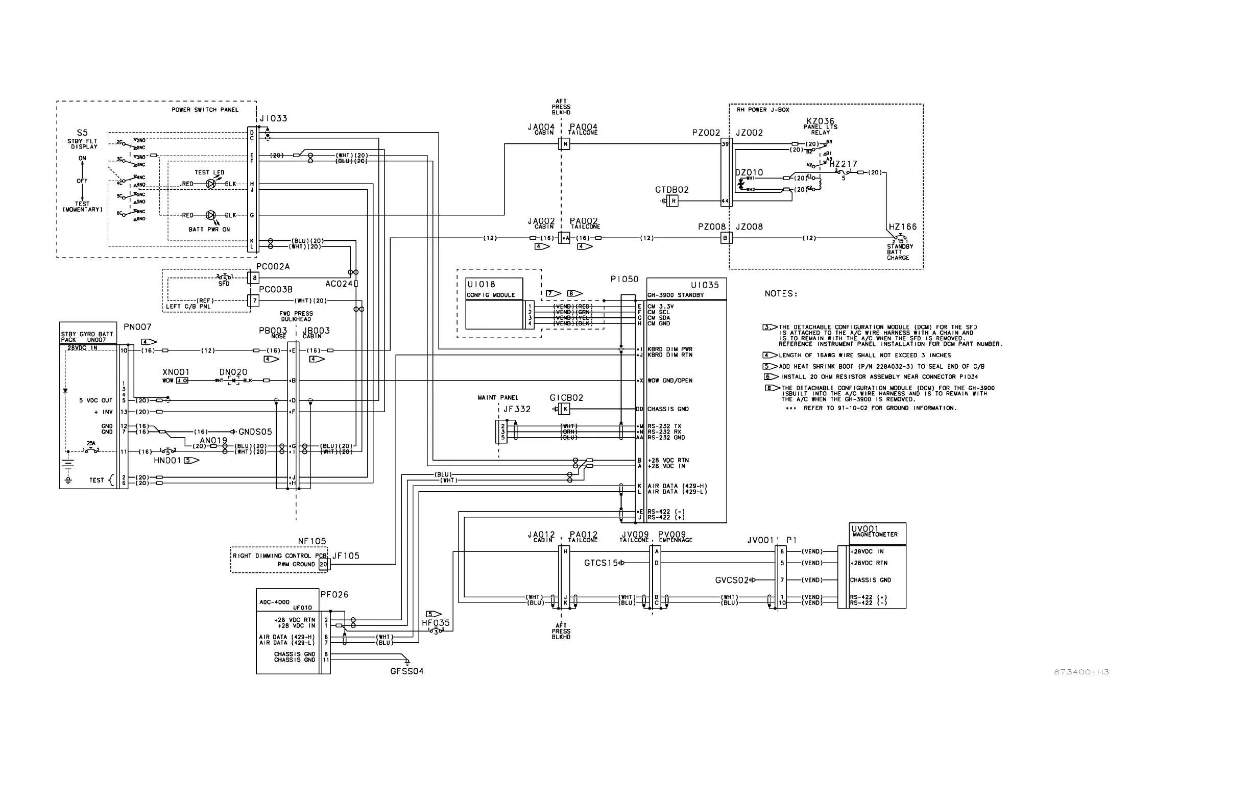
Cessna 525C
100 pages
Print Icon
To Next Page IconTo Next Page
To Next Page IconTo Next Page
To Previous Page IconTo Previous Page
To Previous Page IconTo Previous Page
Loading...

 
  
  
   
  
 

 Feb 21/
ICA-525C-34-00003

Table of Contents

Related product manuals