EasyManua.ls Logo

Champion 41533 - Parts Diagram

Champion 41533
31 pages
Print Icon
To Next Page IconTo Next Page
To Next Page IconTo Next Page
To Previous Page IconTo Previous Page
To Previous Page IconTo Previous Page
Loading...
19 REV 41533-20110701
ENGLISH 41533
SPECIFICATIONS
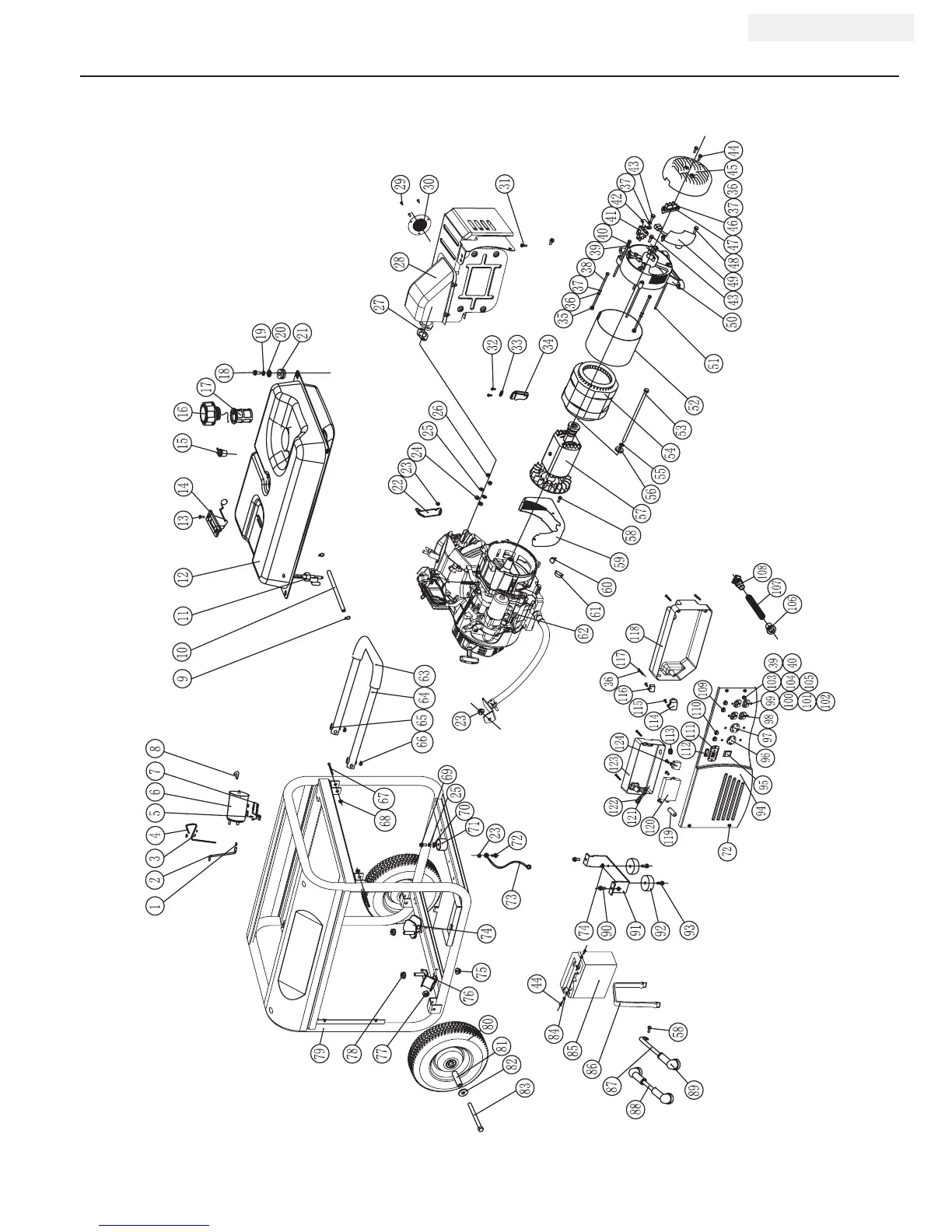
Parts Diagram

Table of Contents