EasyManua.ls Logo

Chappee 1.45 FF HTE - Page 19

Chappee 1.45 FF HTE
33 pages
Print Icon
To Next Page IconTo Next Page
To Next Page IconTo Next Page
To Previous Page IconTo Previous Page
To Previous Page IconTo Previous Page
Loading...
19
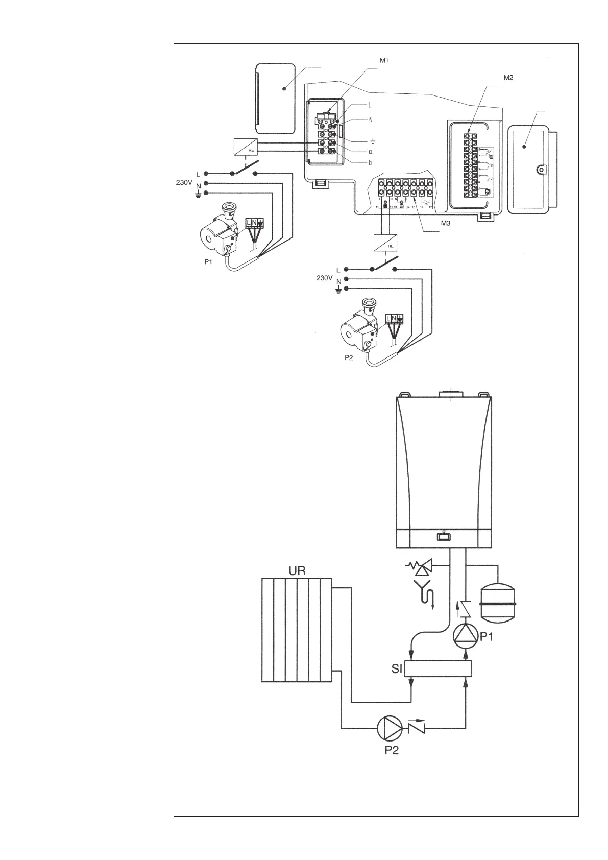
Figure 10
0601_2002/CT_0676
Terminal board
Terminal board
Terminal board
Cover
Cover
0603_1701/CG_1789
Expansion vessel
Safety valve (*)
(*)
(*)
(*) available optional extra
P1 = Low loss header pump
P2 = Heating circuit pump
SI = Low loss header
(available optional extra)
UR = Central heating unit

Related product manuals