EasyManua.ls Logo

Chappee 1.45 FF HTE - 22. Illustrated wiring diagram

Chappee 1.45 FF HTE
33 pages
Print Icon
To Next Page IconTo Next Page
To Next Page IconTo Next Page
To Previous Page IconTo Previous Page
To Previous Page IconTo Previous Page
Loading...
FR
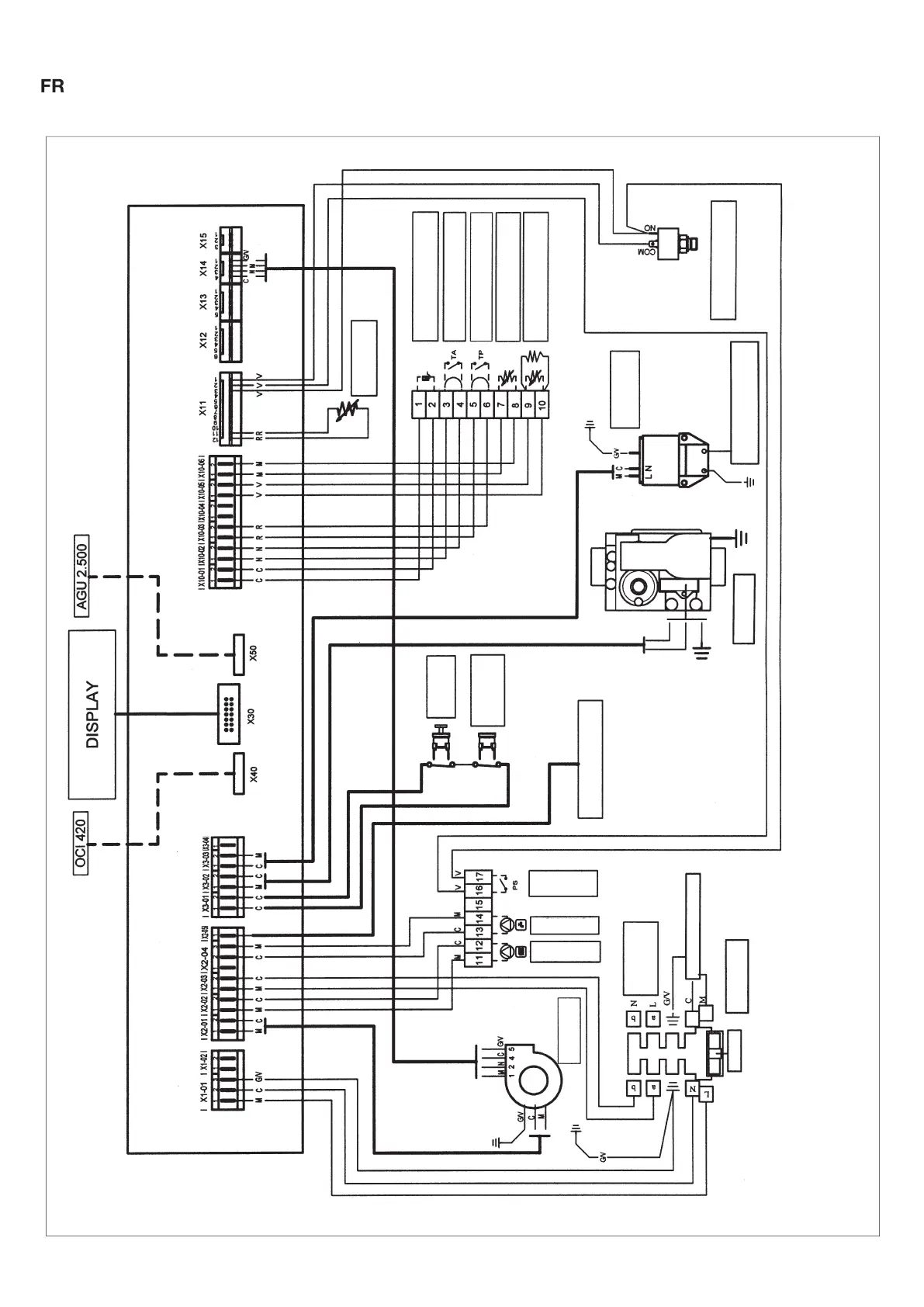
22. Illustrated wiring diagram
m = brown
n = black
c = blue
r = red
v = green
g/v = green/yellow
b = white
CABLES COLOURS
0411_0502
FAN
HEADER PUMP
230 V - 50 Hz
FUSE
MAIN INPUT
TERMINAL BOARD
HEATING SYSTEM
PUMP
HOT WATER PUMP
PRESSURE SWITCH
FLUE SAFETY
THERMOSTAT
SAFETY
THERMOSTAT
FLAME SENSING
ELECTRODE
GAS VALVE
CENTRAL HEATING
TEMPERATURE SENSOR
ROOM THERMOSTAT
QAA73 CONNECTION
SAFETY SHUT-DOWN
OUTSIDE SENSOR
D.H.W. THANK SENSOR
SPARK
GENERATOR
IGNITION
ELECTRODE
HYDRAULIC PRESSURE SENSOR
31

Related product manuals