EasyManua.ls Logo

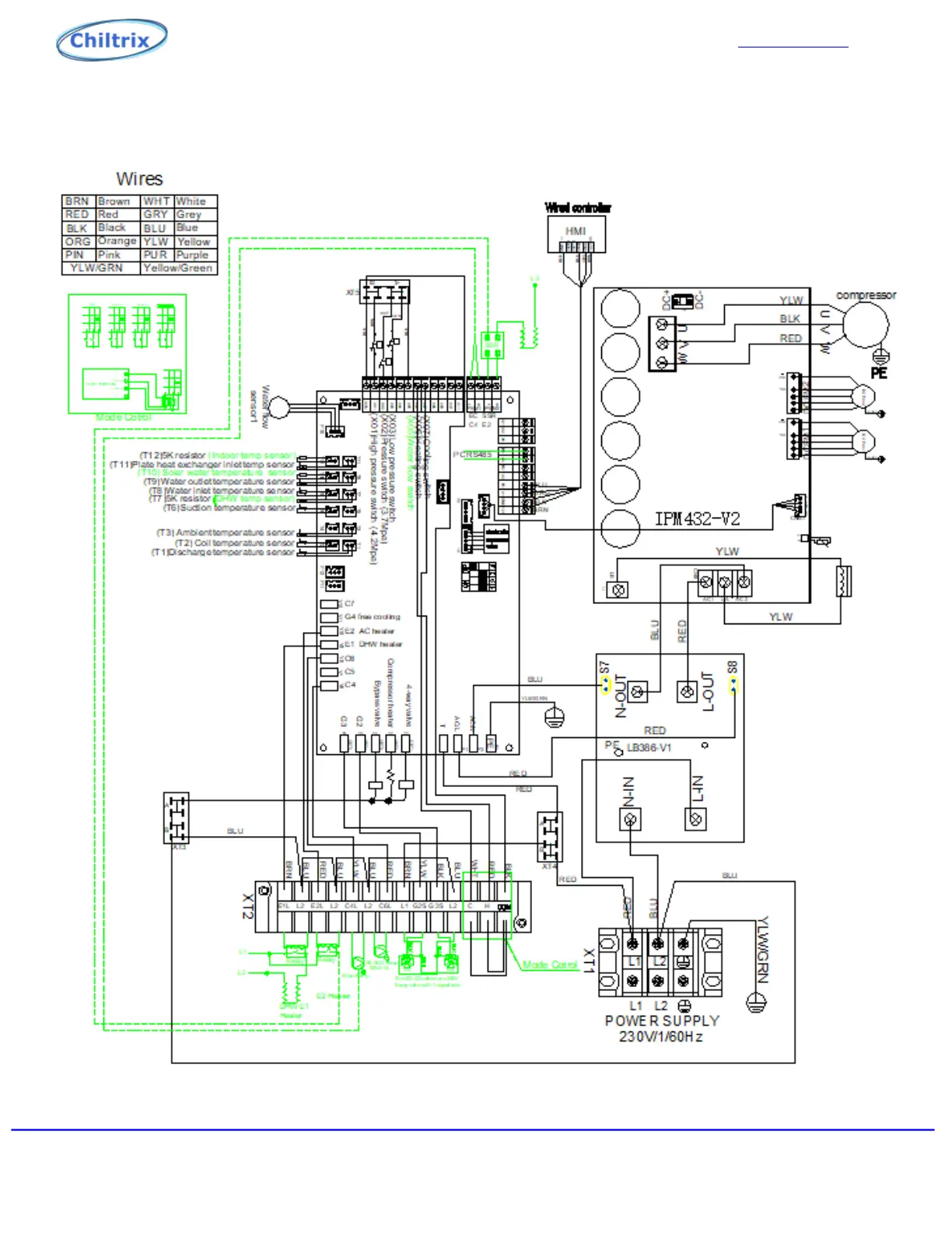
Chiltrix CX50 - CX50 System Wiring Diagram; Wire Identification and Diagram

Chiltrix CX50
57 pages
Print Icon
To Next Page IconTo Next Page
To Next Page IconTo Next Page
To Previous Page IconTo Previous Page
To Previous Page IconTo Previous Page
Loading...
Chiltrix Inc. www.chiltrix.com
cx50 System Wiring Diagram
19
HI-Res diagram located on
Chiltrix Documents & Specifications, Chiller Heat Pump Price List & Cost, Manuals

Related product manuals