EasyManua.ls Logo

Chiltrix CX50 - DHW System Configurations; Two Chillers with DHW Supply; G2 Valve and DHW Tank Placement

Chiltrix CX50
57 pages
Print Icon
To Next Page IconTo Next Page
To Next Page IconTo Next Page
To Previous Page IconTo Previous Page
To Previous Page IconTo Previous Page
Loading...
Chiltrix Inc. www.chiltrix.com
DHW (Domestic Hot Water)
G2 Valve
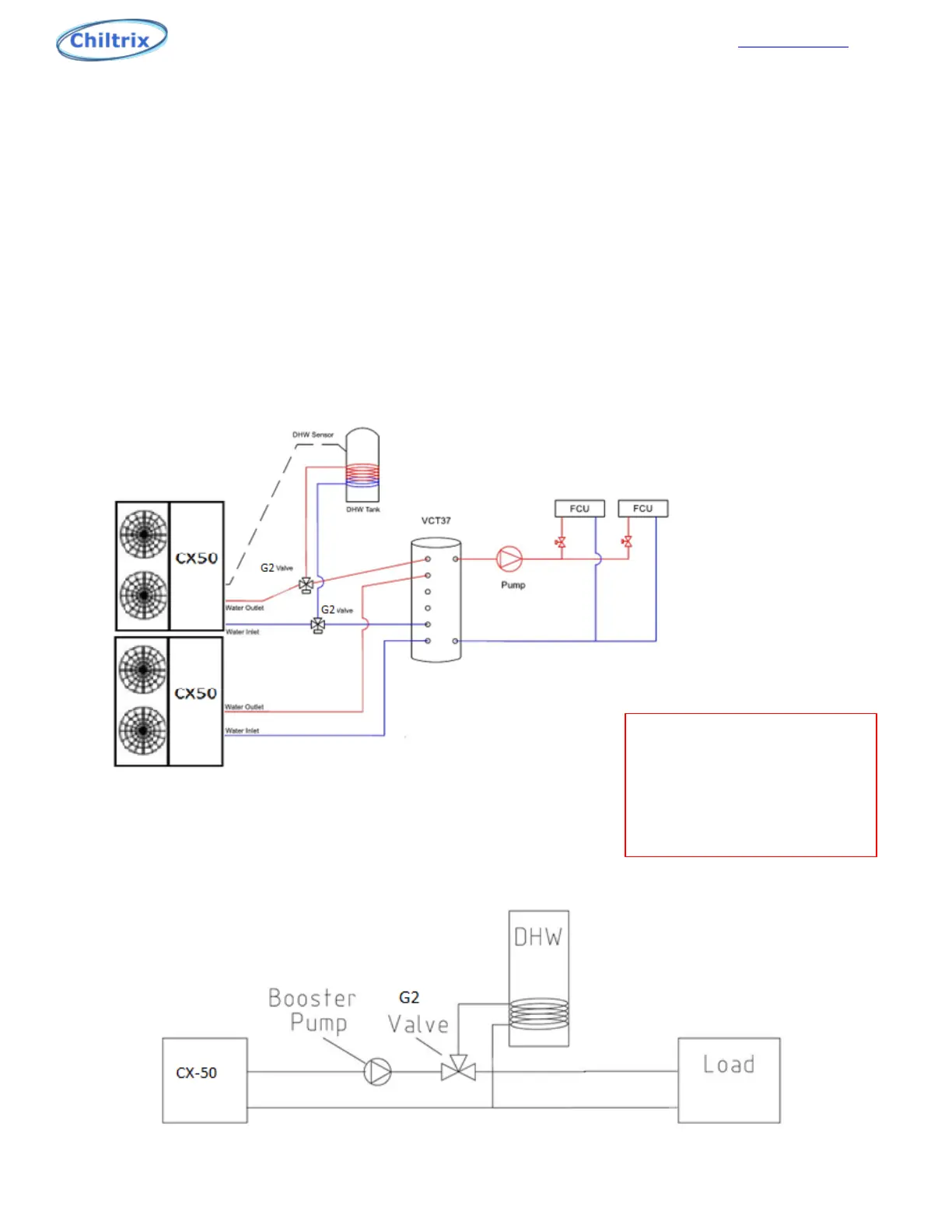
DHW and AC / Heating with two chillers in Parallel
G2 and G3 valves use 220v Primary from the cx50. Use conduit and install per local code. Below shows 2x G2
valves, used this way so that Chiller 2 can continue to provide cooling or heating while Chiller 1 deals with any
DHW load. Bottom drawing shows 1x cx50 properly used with only one G2 valve.
The G2 valve should be installed as close to the cx50 as practical. The DHW tank should be
installed as close to the G2 valve as practical. Shorter distances will improve performance
and reduce the likelihood of needing a booster pump. The cx50 should always be locates
within 50 ft. of the DHW tank.
22
If one or more V18b units
are used they must be in
front of the G2 Valve
(upstream from G2)
See V18b manual.
IMPORTANT
Check all tank ports including under any element covers to
make sure any unused ports are plugged. Pre-plugged ports
may be only finger-tight. Check ALL ports and plugs for
water tight fit.

Related product manuals