EasyManua.ls Logo

Chiltrix CX50 - Piping Examples for Multiple Units; Preferred Stacked Heat Pump Piping; Parallel Piping Options

Chiltrix CX50
57 pages
Print Icon
To Next Page IconTo Next Page
To Next Page IconTo Next Page
To Previous Page IconTo Previous Page
To Previous Page IconTo Previous Page
Loading...
Chiltrix Inc. www.chiltrix.com
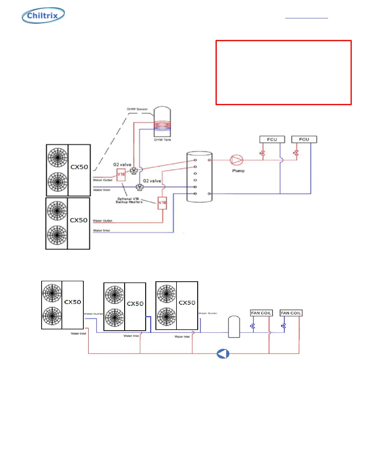
Piping Examples: Stacked Heat Pumps
PLEASE SEND YOUR PROPOSED FINAL DESIGN TO CHILTRIX SUPPORT DEPARTMENT FOR
APPROVAL, COMMENTS, AND SUGGESTIONS
6
Preferred Method For 2 or 3 Units:
Non-Preferred Optional Method, multiple heat
pumps piped in parallel:
(Requires additional loop pump supplied by
installer)
See Design Guide Here
https://www.chiltrix.com/documents/chiller-options.pdf
PLEASE ALWAYS SUBMIT YOUR DESIGN TO
CHILTRIX FOR APROVAL
Optional Method, multiple heat pumps piped in parallel:
(Requires additional loop pump supplied by installer) This
pump must have flow/head curve sufficient to overpower
the total head/curve of both 2
nd
and any 3
rd
unit.

Related product manuals