EasyManua.ls Logo

Chiltrix CX50 - Advanced Piping Configurations; Multi-Fan Coil System Design; Pipe Insulation Requirements

Chiltrix CX50
57 pages
Print Icon
To Next Page IconTo Next Page
To Next Page IconTo Next Page
To Previous Page IconTo Previous Page
To Previous Page IconTo Previous Page
Loading...
Chiltrix Inc. www.chiltrix.com
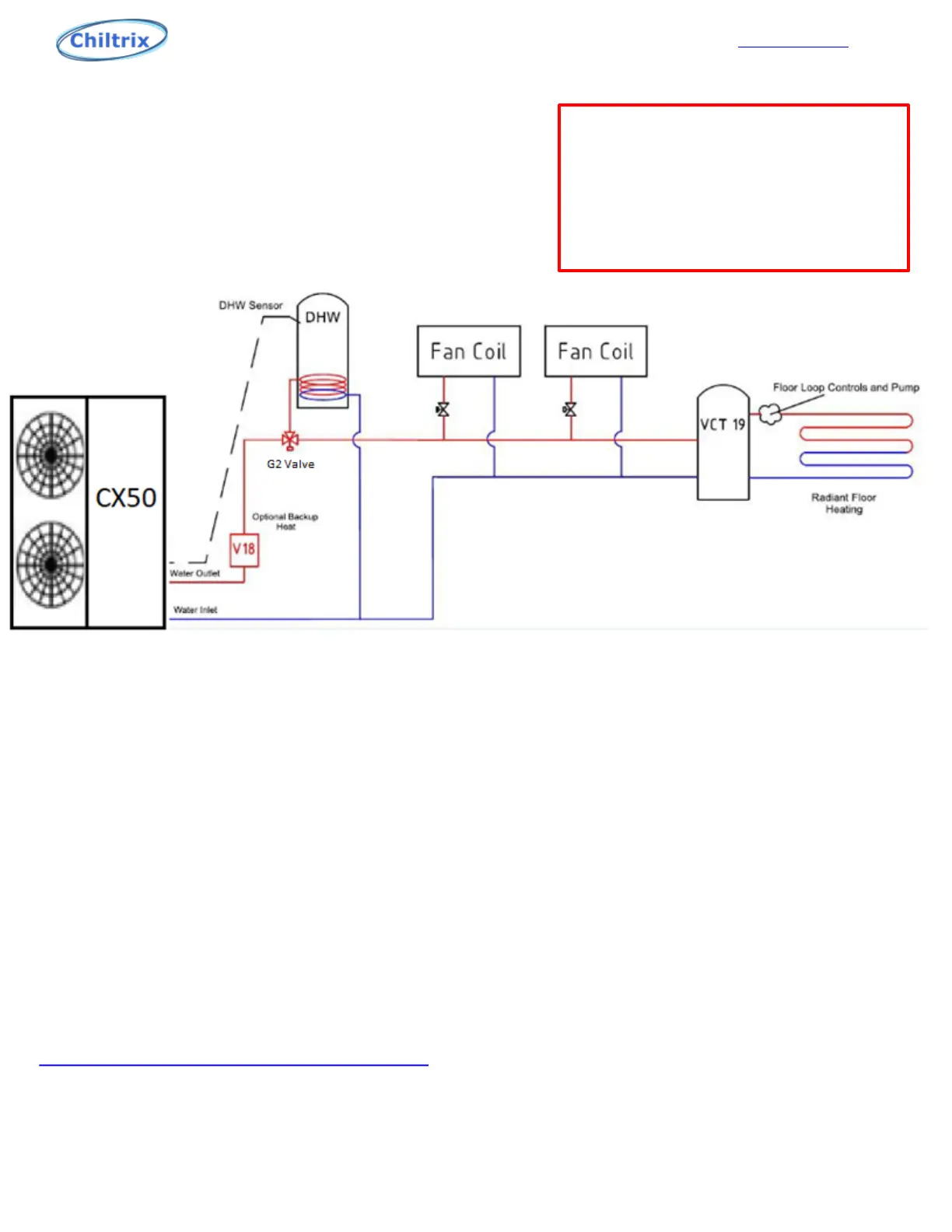
Piping Examples
PLEASE SEND YOUR PROPOSED FINAL DESIGN TO CHILTRIX SUPPORT DEPARTMENT FOR
APPROVAL, COMMENTS, AND SUGGESTIONS
Pipe Insulation
All loop piping must be insulated per local and national mechanical codes. Any piping in a
system with chilled water (used for cooling) must also be sealed vapor tight to prevent
condensate issues. For design tips and a thickness calculator please visit
http://www.armacell.us/knowledge-center/
7
See Design Guide Here
https://www.chiltrix.com/documents/chiller-options.pdf
PLEASE ALWAYS SUBMIT YOUR DESIGN TO
CHILTRIX FOR APROVAL
Note: The above design should not be used for more than 2x fan coil units.
If more than two, consider using a VCT37 tank and locating the fan
coil units on the load side parallel to the radiant.

Related product manuals