EasyManua.ls Logo

Chiltrix CX50 - Buffer Tank Integration with Radiant Systems; Buffer Tank Usage and Sizing; Backup Heat Considerations

Chiltrix CX50
57 pages
Print Icon
To Next Page IconTo Next Page
To Next Page IconTo Next Page
To Previous Page IconTo Previous Page
To Previous Page IconTo Previous Page
Loading...
Chiltrix Inc. www.chiltrix.com
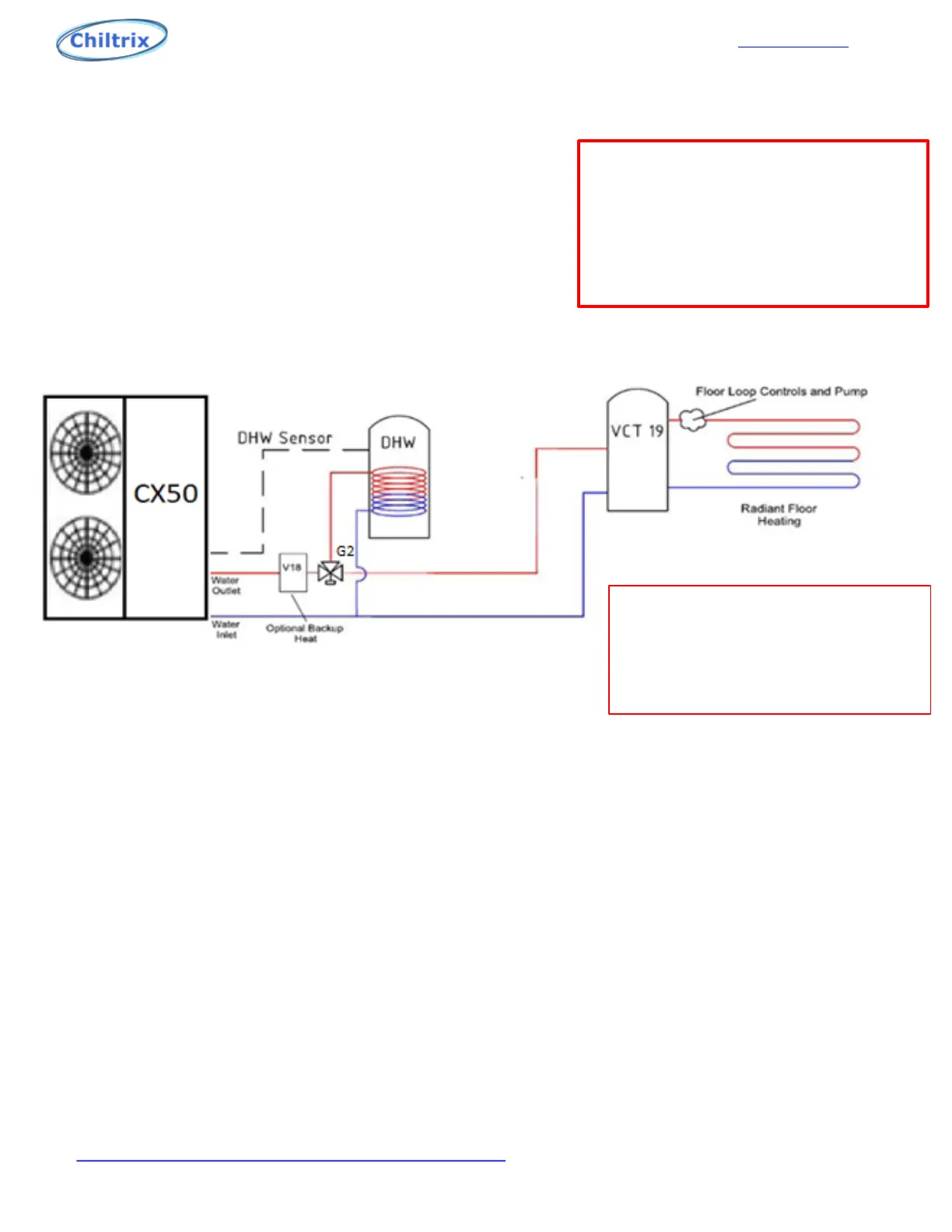
Using a Buffer Tank w/ Radiant
Example below shows optional DHW, optional V18 backup heater, fan
coils, and radiant. The radiant is attached to the load side of a buffer
tank.
For V18b information please see the V18b Manual available on the
Chiltrix website documents page.
For DHW or buffer tank installation information see the Chiltrix Tank
Manual.
Primary / secondary piping is not supported, when connecting to a floor heating loop always use a buffer
tank. Buffer tanks are generally needed only with floor heating with the Chiltrix system, or to combine
multiple cx50 units, but are still always recommended to improve performance.
IMPORTANT NOTE ABOUT BACKUP HEAT
Do not ever use heating elements in a buffer tanks for backup heat. The element capabilities of the
buffer tank are provided for emergency heat only. Not “backup” heat. Contact Chiltrix with any questions
about emergency or backup heat options. See details in the Chiltrix Tank Manual.
The radiant loop pump in the buffer tank drawing is controlled by the customer’s manifolds, floor loop
controls, valves, load-side pump, etc. The buffer tank isolates the pumps from each other providing
hydraulic separation and thermal buffering.
A 37 gallon buffer tank is used generally for best performance with a single cx50. 50-80 gallons is used for
systems of two or three cx50s, and is always used when multiple cx50s are to be combined. A G3 seasonal
valve may be used to isolate the tank in cooling mode, if applicable, note that isolating the buffer tank in
this manner may cause the need for an additional volume tank to be added.
See more designs here:
https://www.chiltrix.com/documents/chiller-options.pdf
8
See Design Guide Here
https://www.chiltrix.com/documents/chiller-options.pdf
PLEASE ALWAYS SUBMIT YOUR DESIGN TO
CHILTRIX FOR APROVAL
IMPORTANT
Check all tank ports including under any
element covers to make sure any unused ports
are plugged. Pre-plugged ports may be only
finger-tight. Check ALL ports and plugs
for water tight fit
.

Related product manuals