EasyManua.ls Logo

Clarion DPX2250 - Page 8

Clarion DPX2250
15 pages
Print Icon
To Next Page IconTo Next Page
To Next Page IconTo Next Page
To Previous Page IconTo Previous Page
To Previous Page IconTo Previous Page
Loading...
- 8 -
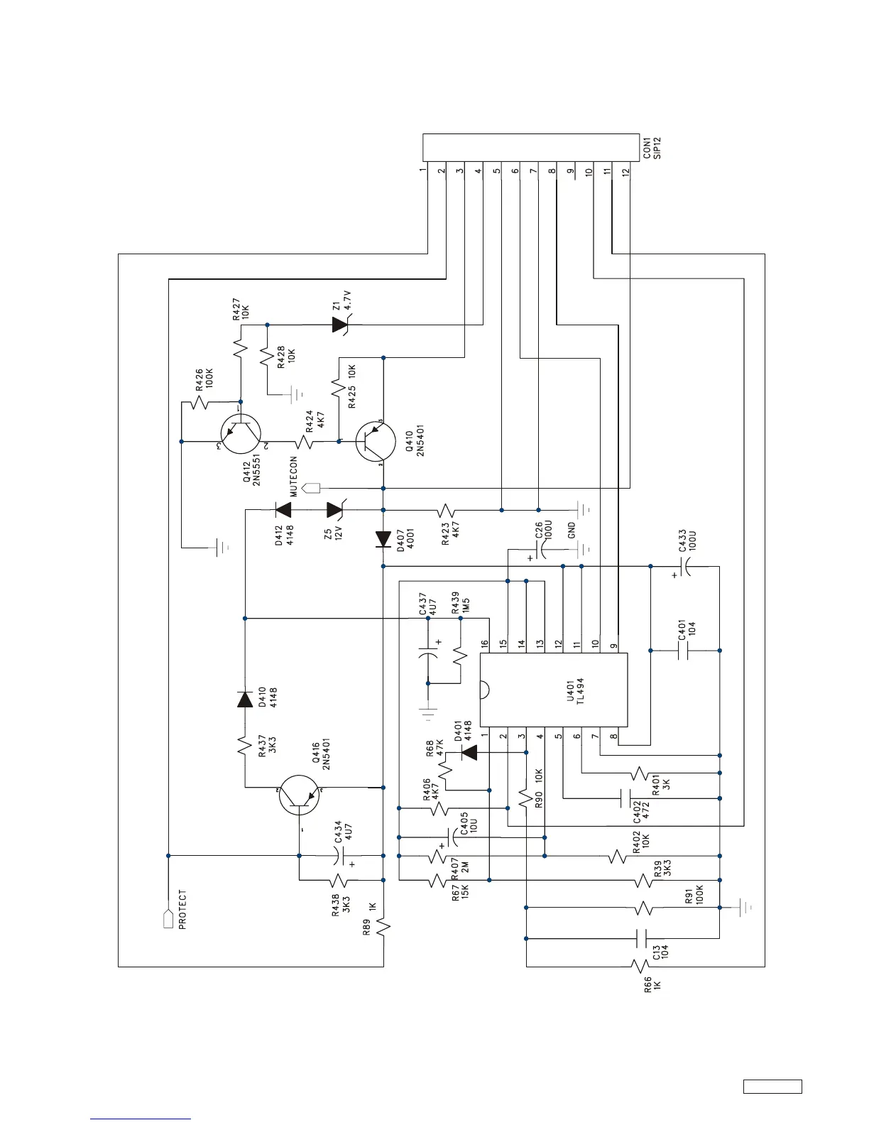
CIRCUIT DIAGRAM
DPX2250

Related product manuals