EasyManua.ls Logo

Clark GCS 17 - Page 103

Clark GCS 17
128 pages
Print Icon
To Next Page IconTo Next Page
To Next Page IconTo Next Page
To Previous Page IconTo Previous Page
To Previous Page IconTo Previous Page
Loading...
Operating
Hazards
A
WARNING:
High loads
Turn
too
sharp with
a
raised
load
and
your
truck
can
tip
even
at
slow
speeds.
AWARNING:
Fast
turns
An
empty truck
can tip
over
easier than
a
loaded
truck because they
are
rear-end
heavy.
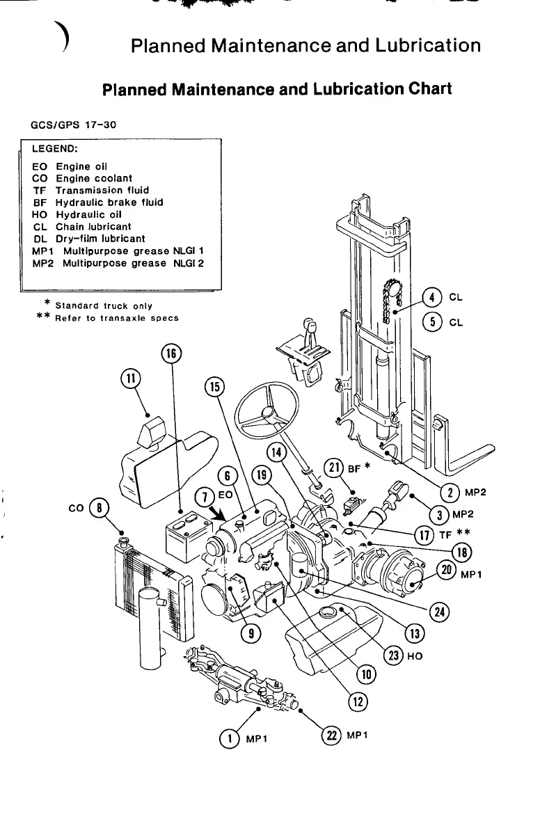
Planned Maintenance
and
Lubrication
Planned
Maintenance
and
Lubrication
Chart
GCS/GPS 17-30
LEGEND:
EO
Engine
oil
CO
Engine coolant
TF
Transmission fluid
BF
Hydraulic brake fluid
HO
Hydraulic
oil
CL
Chain lubricant
DL
Dry-film lubricant
MP1
Multipurpose grease
NLGI
1
MP2
Multipurpose grease NLGI
2
Standard
truck only
Refer
to
transaxle specs
8.5

Related product manuals