EasyManua.ls Logo

Clarke MIG110E - Parts Diagram - MIG 110 EN

Clarke MIG110E
43 pages
Print Icon
To Next Page IconTo Next Page
To Next Page IconTo Next Page
To Previous Page IconTo Previous Page
To Previous Page IconTo Previous Page
Loading...
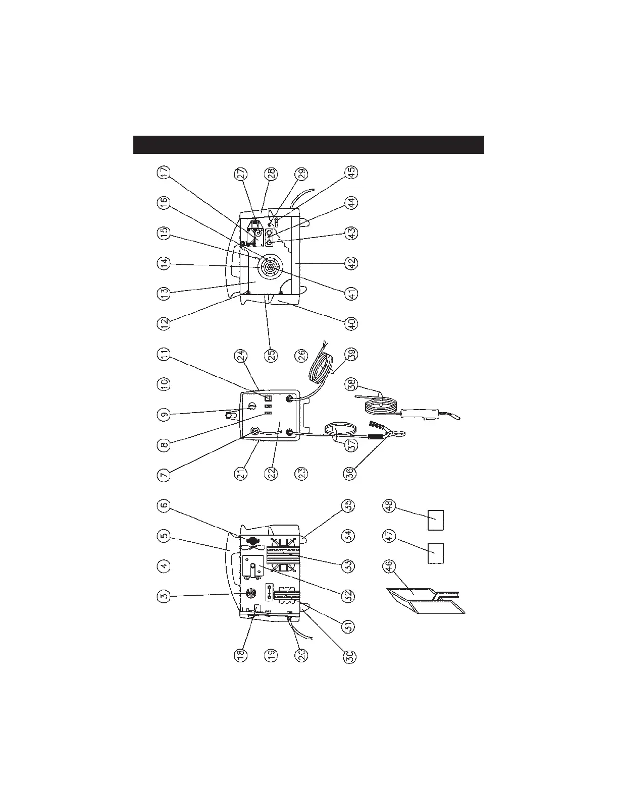
PARTS DIAGRAM - MIG 110EN
33

Related product manuals