EasyManua.ls Logo

Cleanco Compact 47 - Vacuum System

Default Icon
84 pages
Print Icon
To Next Page IconTo Next Page
To Next Page IconTo Next Page
To Previous Page IconTo Previous Page
To Previous Page IconTo Previous Page
Loading...
20
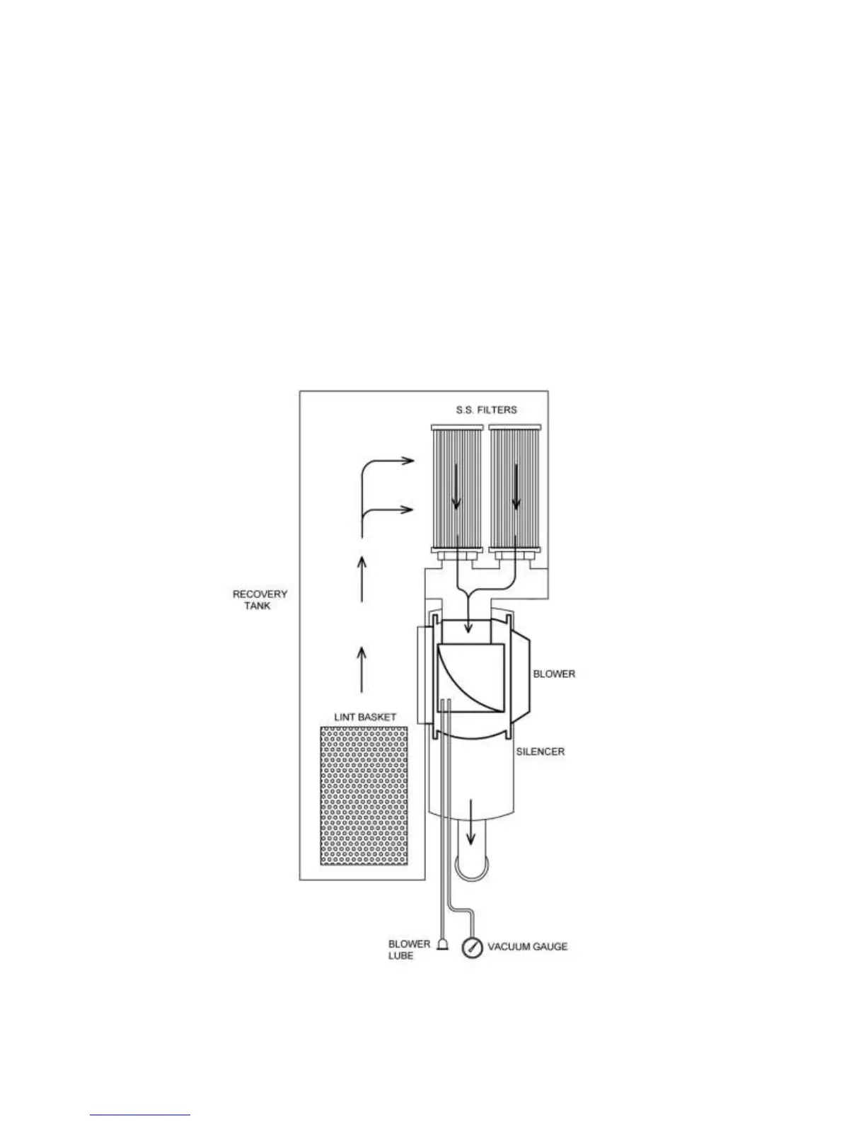
VACUUM SYSTEM
The PTO turning an air pump generates vacuum.
The air is channeled in one side of the vacuum
pump, compressed and discharged on the
opposite side, creating airflow.
The movement of air is used to do the work
necessary for the extraction process. A vacuum
nozzle applied to the carpet surface removes
moisture, dirt and spent chemicals. These
elements are conveyed back to the waste tank
using a series of changes in direction and
velocity. The air is then filtered and rushes into
the vacuum pump.
The vacuum pump compresses and heats the
incoming air. The hot discharged air is forced
down stream into a silencer for noise abatement.
Finally the hot air is exhausted outside.
NOTE:
WITH THE OPTIONAL P.T.I., THE HOT
DISCHARGED AIR IS FORCED THRU THE
P.T.I. BEFORE BEING EXHAUSTED OUTSIDE.

Related product manuals