EasyManua.ls Logo

Cleanco Compact 47 - Baseplate

Default Icon
84 pages
Print Icon
To Next Page IconTo Next Page
To Next Page IconTo Next Page
To Previous Page IconTo Previous Page
To Previous Page IconTo Previous Page
Loading...
38
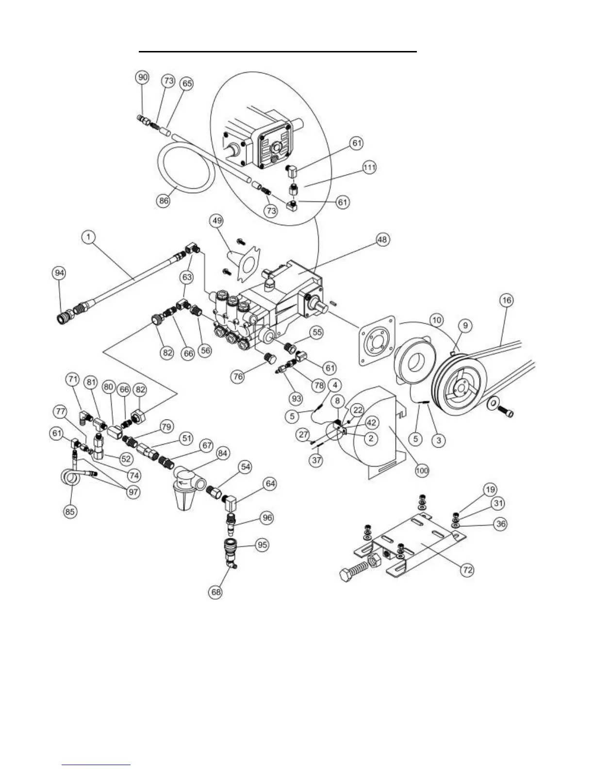
COMPACT BASEPLATE 45 & 47 (P. 1)

Related product manuals