EasyManua.ls Logo

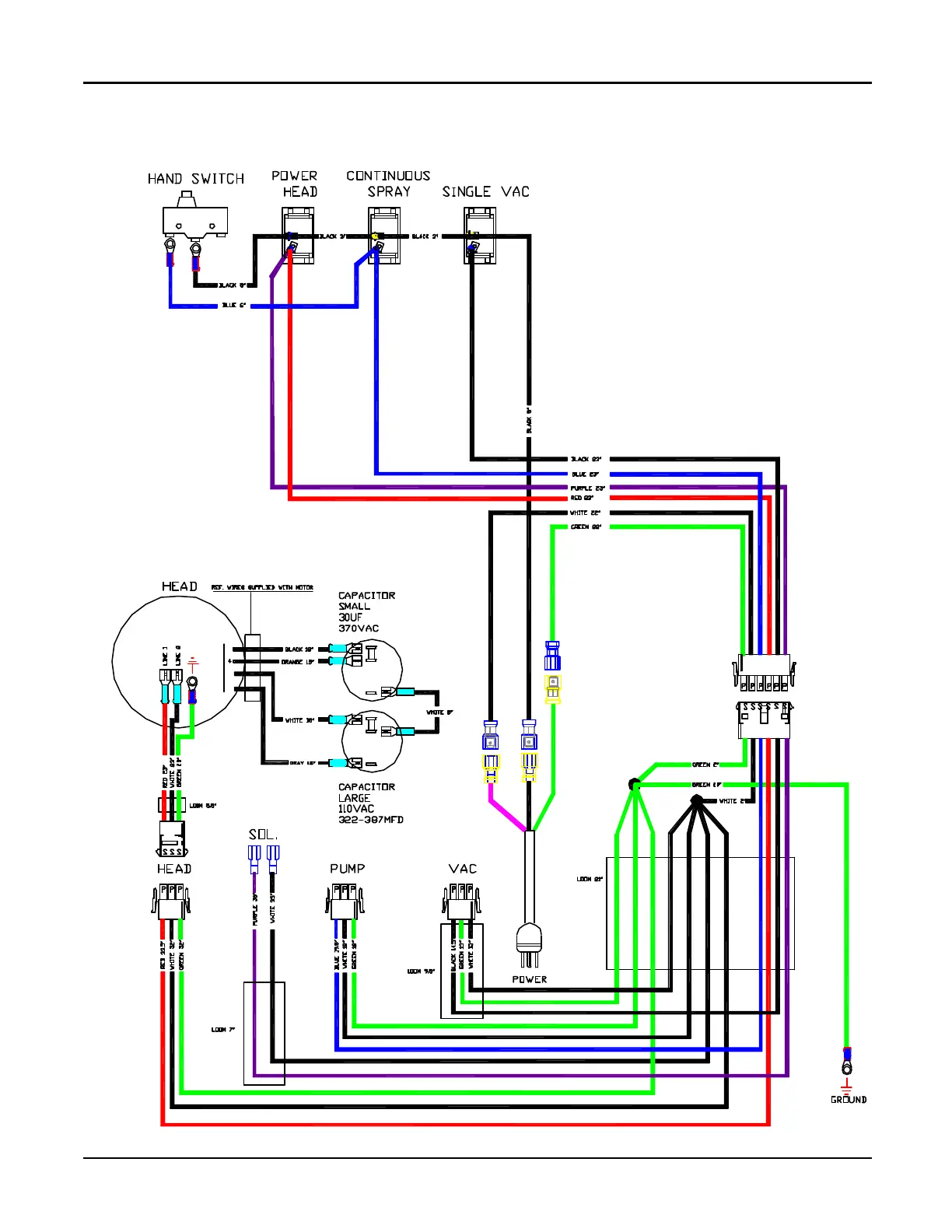
CleanMaster 100-041-017 - ELECTRICAL DIAGRAM; 120 V WIRING DIAGRAM

CleanMaster 100-041-017
26 pages
Print Icon
To Next Page IconTo Next Page
To Next Page IconTo Next Page
To Previous Page IconTo Previous Page
To Previous Page IconTo Previous Page
Loading...
Mnl50005 (02-03) 13
ELECTRICAL DIAGRAM EXPRESS MULTI SURFACE CLEANER
120 V WIRING DIAGRAM