EasyManua.ls Logo

Clevo NP50HK - Power Sequence

Clevo NP50HK
112 pages
Print Icon
To Next Page IconTo Next Page
To Next Page IconTo Next Page
To Previous Page IconTo Previous Page
To Previous Page IconTo Previous Page
Loading...
5
5
4
4
3
3
2
2
1
1
D D
C C
B B
A A
Tit le
Size Document Numbe r Re v
Date: Sheet
of
6-7P-NP705-002
D02
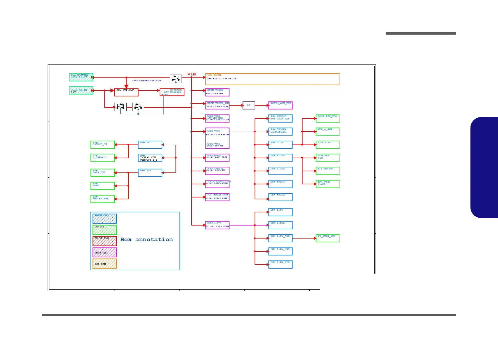
[62] Power map and Sequencing
Custom
62 62Monday, May 31, 2021
CLEVO
Tit le
Size Document Numbe r Re v
Date: Sheet
of
6-7P-NP705-002
D02
[62] Power map and Sequencing
Custom
62 62Monday, May 31, 2021
CLEVO
Tit le
Size Document Numbe r Re v
Date: Sheet
of
6-7P-NP705-002
D02
[62] Power map and Sequencing
Custom
62 62Monday, May 31, 2021
CLEVO
Sheet 62 of 62
Power Sequence
Schematic Diagrams
Power Sequence B - 63
B.Schematic Diagrams
Power Sequence

Table of Contents

Related product manuals