EasyManua.ls Logo

Climax BB4500 - Page 136

Default Icon
162 pages
Print Icon
To Next Page IconTo Next Page
To Next Page IconTo Next Page
To Previous Page IconTo Previous Page
To Previous Page IconTo Previous Page
Loading...
Page 120 BB4500-BB5000 Operating Manual
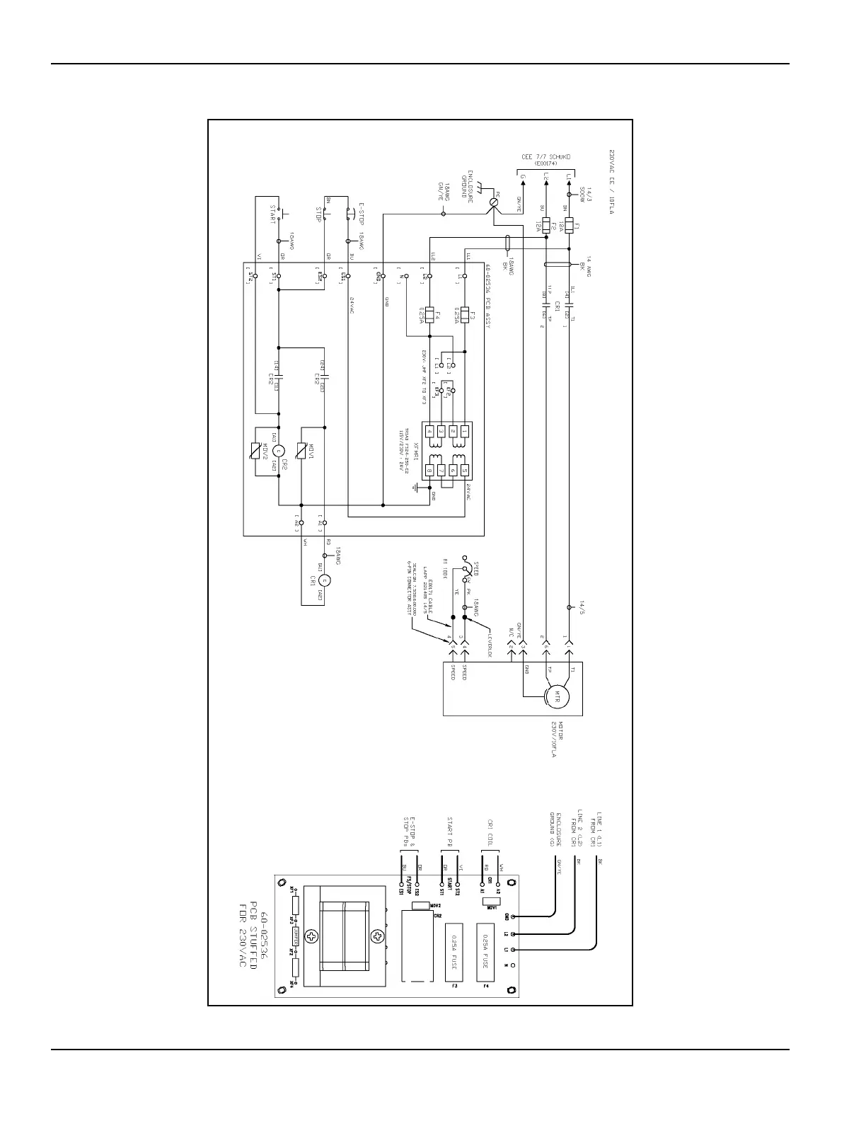
FIGURE C-1. BB4500-BB5000 EIBENSTOCK CONTROLLER 2ND GEN 230V 50-60 HZ CE SCHEMATIC (P/N 88035 C00467)

Table of Contents

Related product manuals