EasyManua.ls Logo

Climax BB4500 - Page 137

Default Icon
162 pages
Print Icon
To Next Page IconTo Next Page
To Next Page IconTo Next Page
To Previous Page IconTo Previous Page
To Previous Page IconTo Previous Page
Loading...
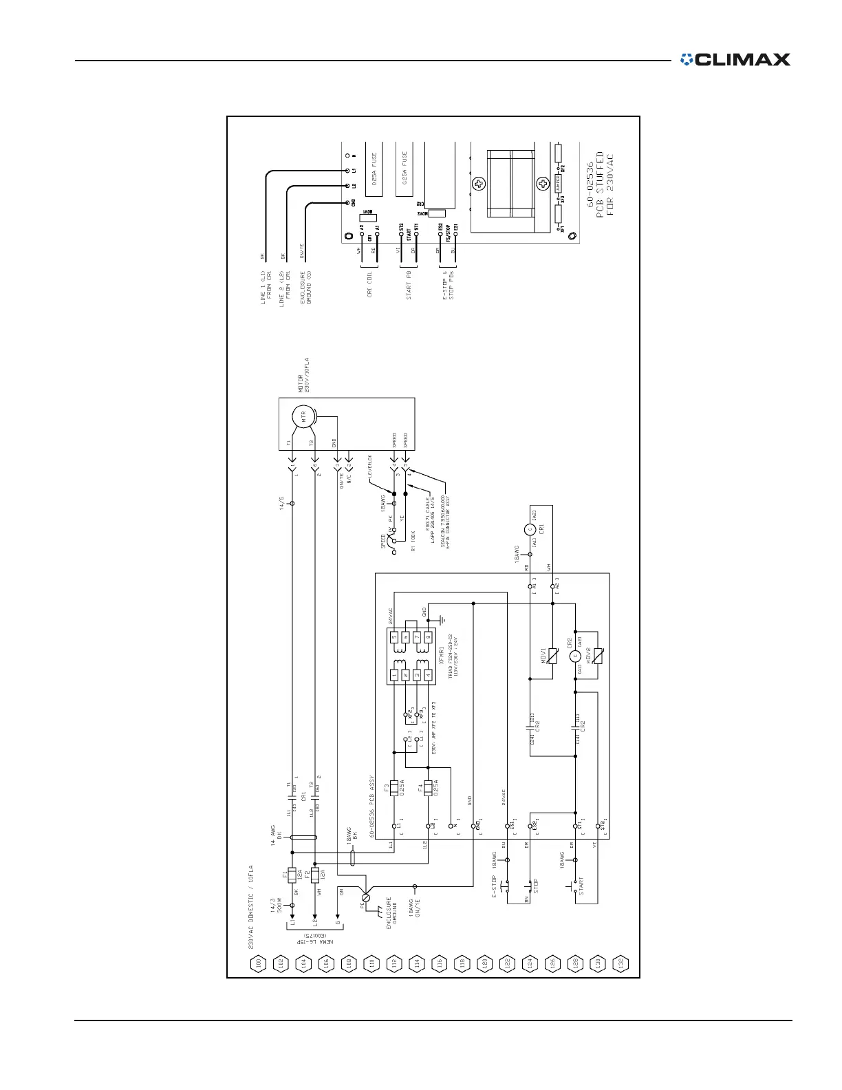
P/N 92974, Rev. 1 Page 121
F
IGURE C-2. BB4500-BB5000 EIBENSTOCK CONTROLLER 2ND GEN 230V 50-60 HZ DOMESTIC ASSEMBLY (P/N 88036 C00468)

Table of Contents

Related product manuals