EasyManua.ls Logo

Clipper C1316SS - Page 30

Clipper C1316SS
50 pages
Print Icon
To Next Page IconTo Next Page
To Next Page IconTo Next Page
To Previous Page IconTo Previous Page
To Previous Page IconTo Previous Page
Loading...
30
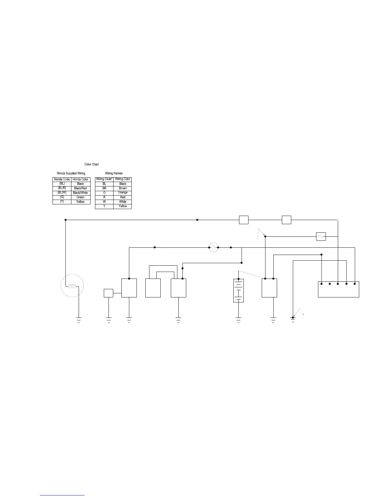
G. ELECTRICAL DIAGRAM C1316SM & C1320SM:
13HP Electric Start Models Only
Oil Alert
Unit
(BL)
Transistorized
Ignition
Unit
(W)
Oil Level
Switch
(Y)
(G)
Spark Plug
BL (238035)
ST
BAT
E
IG
(BL/R)
(W)
15 Amp
Fuse
Kill
Switch
Starter
Motor
Battery
12 volt
+
-
R
(W)
BL
O (238033)
20A
Charge
Coil
Circuit
Breaker
Rectifier
(GR)G (238020)
(W)
(BL/R)
(BL/W)
(Y)
R (238031)
R (238032)
(W)
W (238034)
Change Honda Switch
White Wire Ring Terminal
To Female Bullet
Connector 0.156"
Change Honda BL Terminal To A
3
8
" Ring Terminal

Related product manuals