EasyManua.ls Logo

CNC4PC C11G - Connecting NPN Sensors

CNC4PC C11G
21 pages
Print Icon
To Next Page IconTo Next Page
To Next Page IconTo Next Page
To Previous Page IconTo Previous Page
To Previous Page IconTo Previous Page
Loading...
C11G (Rev. 8.2) User Manual
Revision: 01/27/2010 http://cnc4pc.com/TechDocs/C11GR8_2_User_Manual.pdf 13/21
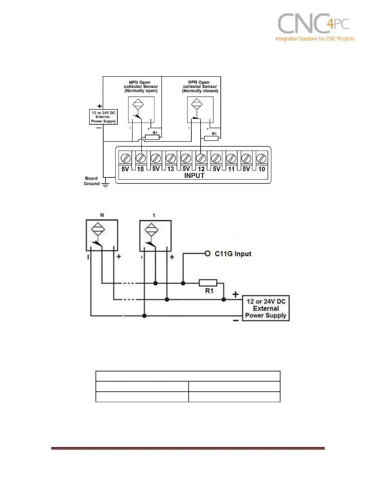
7.2 Connecting NPN sensors.
Fig. 8 Wiring diagram to connect NPN open collector proximity sensors.
Fig. 9 Wiring diagram to connect in parallel NPN open collector proximity sensors.
R1 Value (12V)
R1 Value (24V)
Aprox. 10KΩ
Aprox. 25KΩ

Other manuals for CNC4PC C11G