EasyManua.ls Logo

CNC4PC C11G - Special Functions; Safety Charge Pump (SCHP) Functionality

CNC4PC C11G
21 pages
Print Icon
To Next Page IconTo Next Page
To Next Page IconTo Next Page
To Previous Page IconTo Previous Page
To Previous Page IconTo Previous Page
Loading...
C11G (Rev.8.2) User Manual
Revision: 01/27/2010 http://cnc4pc.com/TechDocs/C11GR8_2_User_Manual.pdf 5/21
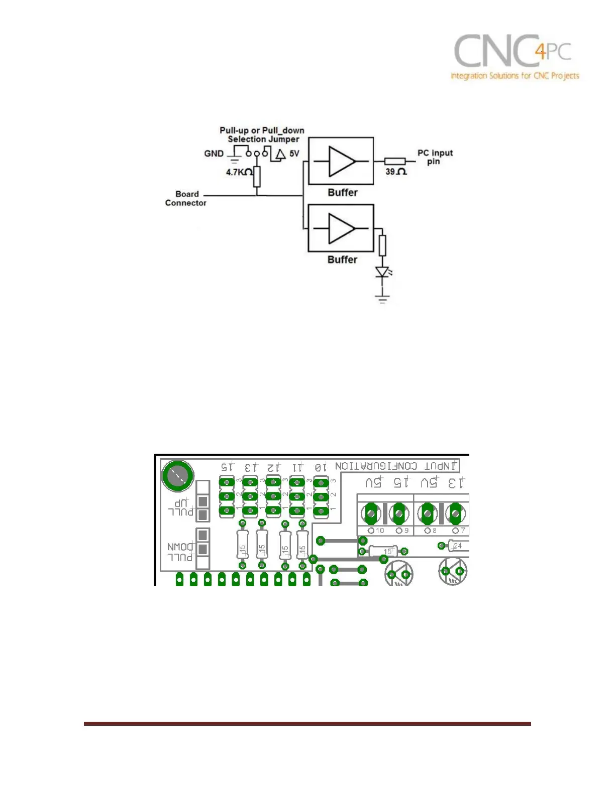
Fig. 3 Simplified functional block diagram for the inputs.
Pins 10, 11, 12, 13 and 15 can be set to pull-down or pull-up by selecting the
jumper in the appropriate position.
The input pins can be set to be pulled up or down with a 4.7Kohm resistor.
1-2: PULL-UP
2-3: PULL- DOWN
5. Special Functions
5.1 Safety Charge Pump “SCHP”. (Pin 17)
This board takes advantage of Mach ability to send a specific frequency through
one of the pins of the parallel port when the program is in control of the system.
CNC machinery can be very dangerous, and you could have a risk of the machine

Other manuals for CNC4PC C11G