EasyManua.ls Logo

Cobra SA40E - Page 8

Cobra SA40E
11 pages
Print Icon
To Next Page IconTo Next Page
To Next Page IconTo Next Page
To Previous Page IconTo Previous Page
To Previous Page IconTo Previous Page
Loading...
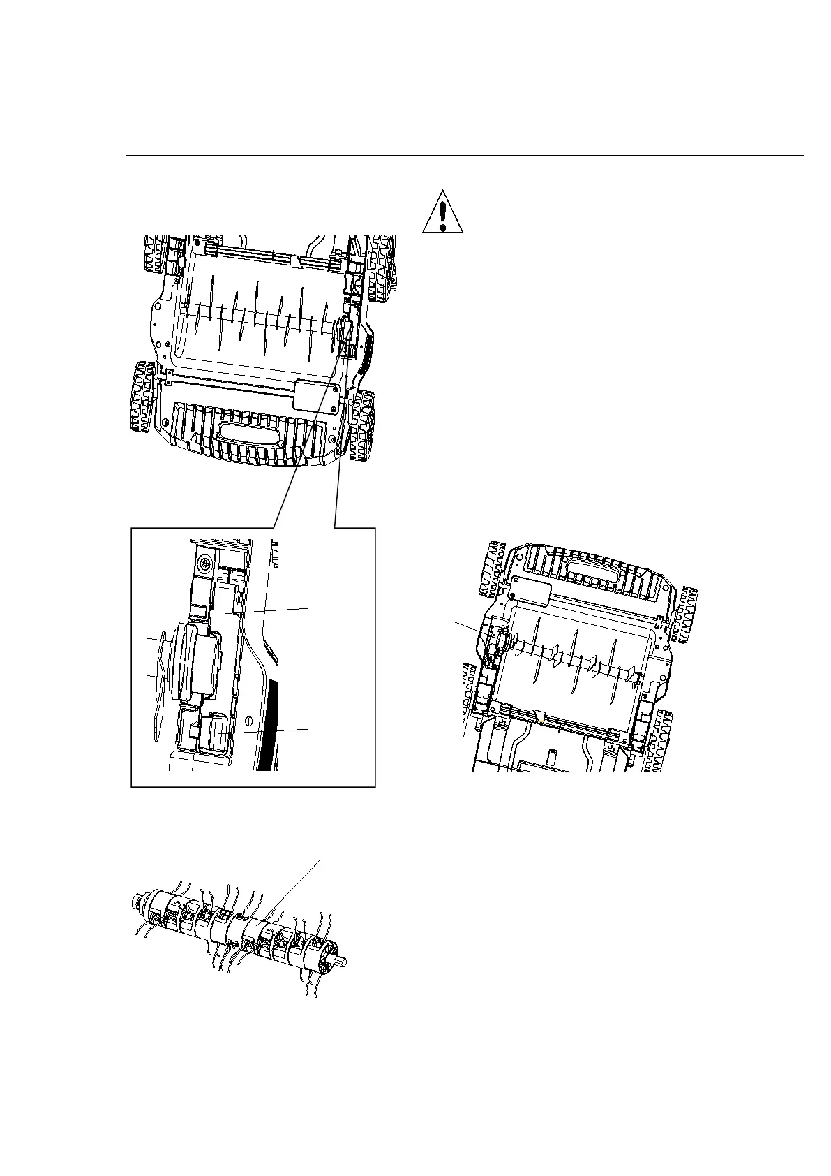
6. Aerator & Scarifier Cylinder Exchange
Replacing aerator cylinder:
Scarifier cylinder with spring tines.
Danger! The aerator cylinder can cause injuries!
Prior to maintenance, unplug from the mains
and wait until the aerator cylinder has stopped.
Wear working gloves when rectifying faults.
If the aerator cylinder is in wear adjustment position and
is worn, the aerator cylinder must be replaced.
1. Rotate button on the underside of the button .
2. Lift Scarifier blades cylinder at an angle and pull
away from the drive shaft.
3. Push the new aerator cylinder on to the drive shaft
in such a way that square shaft is inserted in the
square hole in the drive shaft.
4. Secure with button and .

Related product manuals