EasyManua.ls Logo

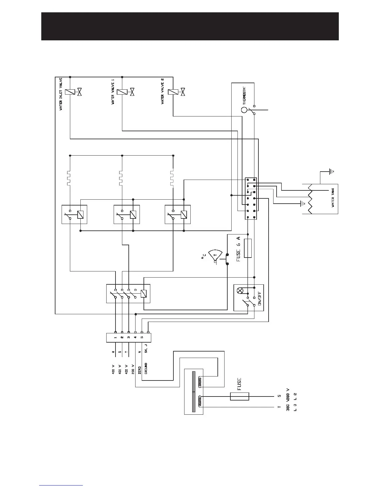
Coffee Queen TOWER - 3 x 400 VAC + Ground Wiring

Coffee Queen TOWER
Print Icon
To Next Page IconTo Next Page
To Next Page IconTo Next Page
To Previous Page IconTo Previous Page
To Previous Page IconTo Previous Page
Loading...
40.
15. Elschema / Electrical diagram.
3 x 400VAC + ground TOWER

Other manuals for Coffee Queen TOWER

Related product manuals