EasyManua.ls Logo

Coleman CH16B6021S - TYPICAL FIELD WIRING; ALTERNATIVE INSTALLATION CLEARANCES

Coleman CH16B6021S
174 pages
Print Icon
To Next Page IconTo Next Page
To Next Page IconTo Next Page
To Previous Page IconTo Previous Page
To Previous Page IconTo Previous Page
Loading...
5547666-CTG-A-0718
Johnson Controls Unitary Products 101
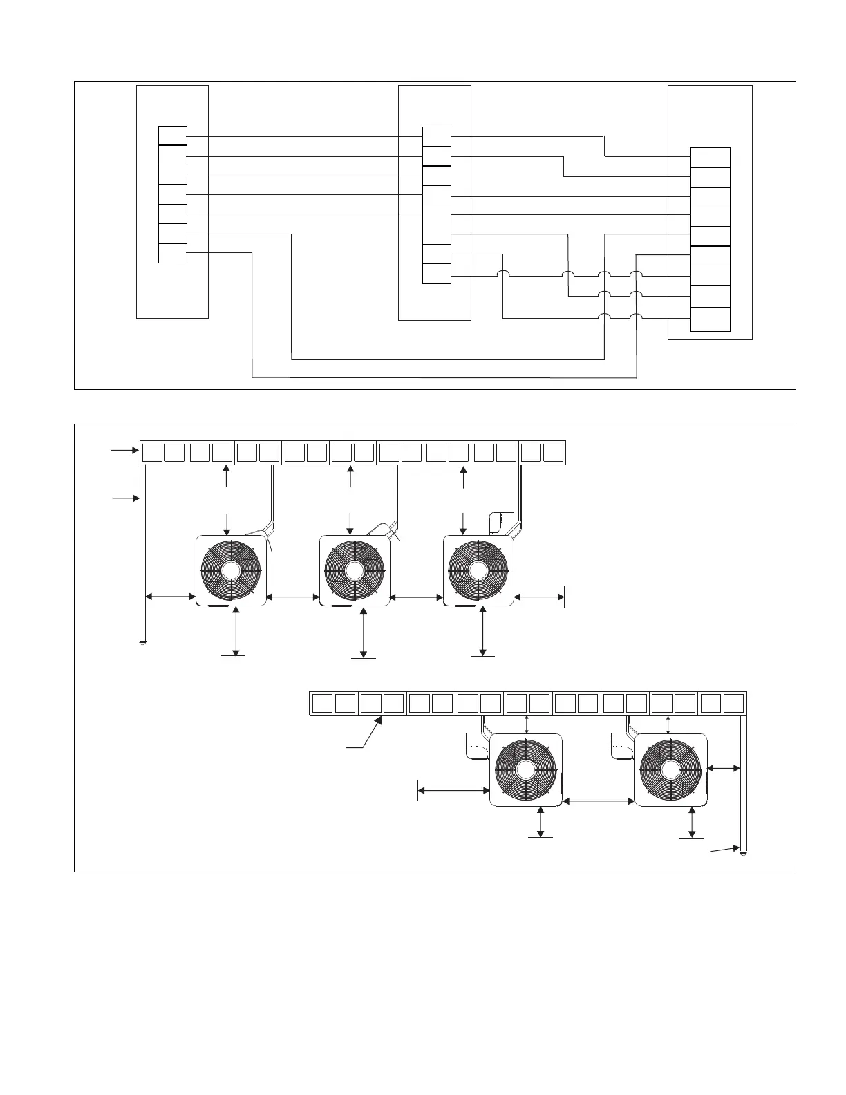
TYPICAL FIELD WIRING
ALTERNATIVE INSTALLATION CLEARANCES
*
2
<
:
<
7+(50267$7
$
*
2
<
:
:
<
&
5
2
<
:
<
<2XW
:
2XW
:
2XW
0$,1
&21752/
%25$'
287'22581,7
,1'22581,7
&
&
55
0,1,080&/($5$1&(%(7:((181,76
127(
&OHDUDQFHEHWZHHQWZRXQLWVPD\EH
UHGXFHGWR´PLQLPXPSURYLGHG
WKHVHUYLFHDFFHVVFOHDUDQFHLV
LQFUHDVHGWR´PLQLPXPDQGWKH
FOHDUDQFHRQHDFKUHPDLQLQJVLGH
LVPDLQWDLQHGDW´PLQLPXP
127(
&OHDUDQFHWRRQHVLGHRIWKH
XQLWPD\EHUHGXFHGWR´SURYLGHG
WKHFOHDUDQFHWRHDFKUHPDLQLQJVLGH
LVLQFUHDVHGWR´PLQLPXPWKH
VHUYLFHDFFHVVLVLQFUHDVHGWR´
PLQLPXPDQGWKHFOHDUDQFHVEHWZHHQ
DQ\WZRXQLWVLVPDLQWDLQHGDW´
PLQLPXP
0,1,080&/($5$1&()520:$//
´
´
´
6(59,&(
$1'81,7
7281,7
´
6(59,&(
´
´
´
:$//
)(1&(
´
6(59,&(
´
6(59,&(
´
6(59,&(
´
81,7
7281,7
´
81,7
7281,7
´
´
´
´
´
:$//
)(1&(
&$87,21
6SHFLDOFDUHPXVWEHWDNHQWRDYRLGUHFLUFXODWLRQRIGLVFKDUJHDLUWKURXJKRXWGRRUFRLO
$

Related product manuals