EasyManua.ls Logo

Comelit Ciao CA5100A - Page 8

Comelit Ciao CA5100A
8 pages
Print Icon
To Previous Page IconTo Previous Page
To Previous Page IconTo Previous Page
Loading...
www.comelitgroup.com
Via Don Arrigoni, 5 - 24020 Rovetta (BG) - Italy
CERTIFIED MANAGEMENT SYSTEMS
edizione 03/2021
cod. 2G40002512
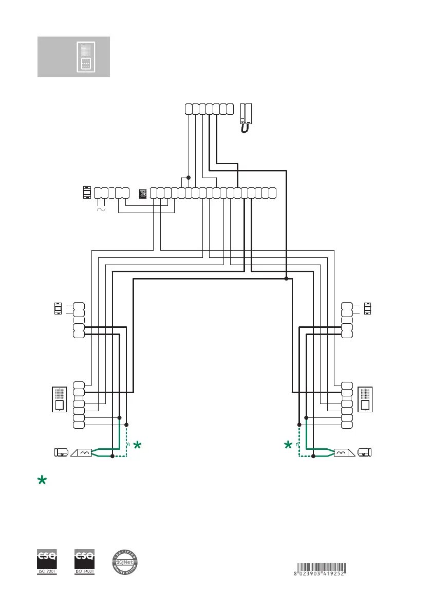
Pulsante comando apriporta locale.
Local door-opener button.
Bouton commande ouvre-porte local.
Bedieningsknop lokale deuropener.
Lokale Türönertaste.
Pulsador abrepuertas local.
2
S1
1200
12V~
230V~
S1
V~
230
V~
12
~
1200
~
2
~*
3
4
V~
230
V~
12
~
1200
~
2
~*
3
4
BA
1125/A
LLL RR R RL CC CC34 2 1
2702W
1
P
2 3 4S
2
C
2
P
CA5100A
+ CA9213
CA5100A
+ CA9213
Botão de comando abertura da porta local.

Related product manuals