EasyManua.ls Logo

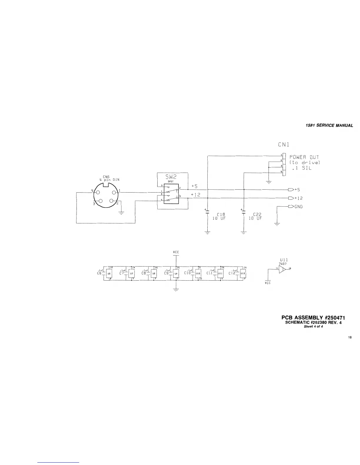
Commodore Computers 1581 - Schematic Diagram - Sheet 4

Default Icon
22 pages
Print Icon
To Next Page IconTo Next Page
To Next Page IconTo Next Page
To Previous Page IconTo Previous Page
To Previous Page IconTo Previous Page
Loading...