EasyManua.ls Logo

Commodore Computers 1581 - 6502 CPU Overview

Default Icon
22 pages
Print Icon
To Next Page IconTo Next Page
To Next Page IconTo Next Page
To Previous Page IconTo Previous Page
To Previous Page IconTo Previous Page
Loading...
1581
SERVICE
MANUAL
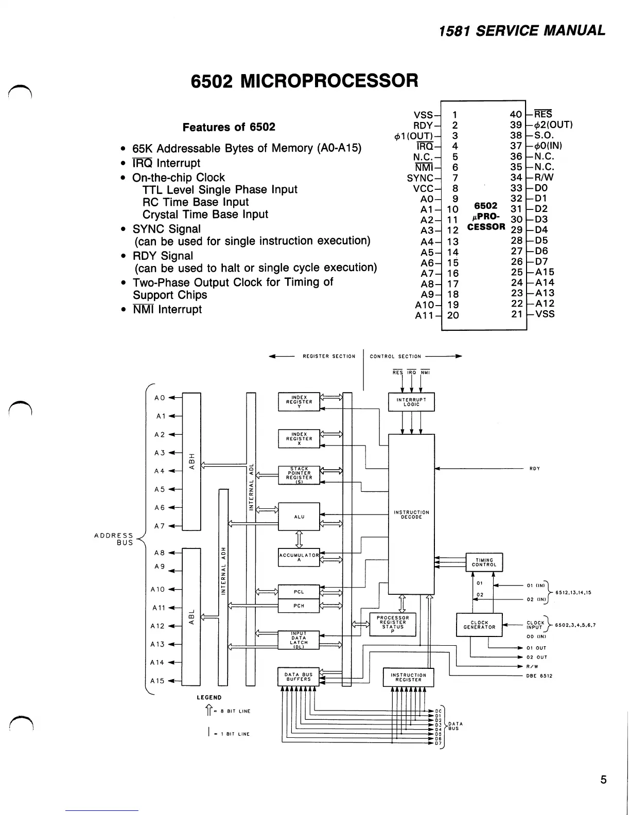
6502
MICROPROCESSOR
Features
of
6502
65K
Addressable
Bytes
of
Memory
(A0-A15)
TR(5
Interrupt
On-the-chip
Clock
TTL
Level
Single
Phase
Input
RC
Time
Base
Input
Crystal
Time Base
Input
SYNC
Signal
(can
be used
for
single
instruction
execution)
RDY
Signal
(can
be
used
to
halt
or
single
cycle
execution)
Two-Phase
Output
Clock
for
Timing
of
Support
Chips
NMT
Interrupt
vss-
RDY-
Trq-
N.C.-
NMI-
SYNC-
VCC-
AO-
A1-
A2-
A3-
A4-
A5-
A6-
A7-
A8-
A9-
A1O-
A11-
1
2
3
4
5
6
7
8
9
10
11
12
13
14
15
16
17
18
19
20
40
39
38
37
36
35
34
33
32
6502
3-|
/iPRO-
30
CESSOR
29
28
27
26
25
24
23
22
21
RES
02(OUT)
S.O.
N.C.
N.C.
R/W
DO
D1
D2
D3
D4
D5
D6
D7
A15
A14
A13
A12
VSS
ADDRESS
J
BUS
A
r
A0
-«—
A1
-«—
A2
-*-
A3
^~
A
4
-<—
A5
-*—
A6
-*-
A7
**-
A8
-*—
A9
^_
A10
**—
A11
-«—
A12
-*—
A13
-«—
A14
-<—
A15
-<—
6512,13,14,15
6502.3.4.5,6.7