EasyManua.ls Logo

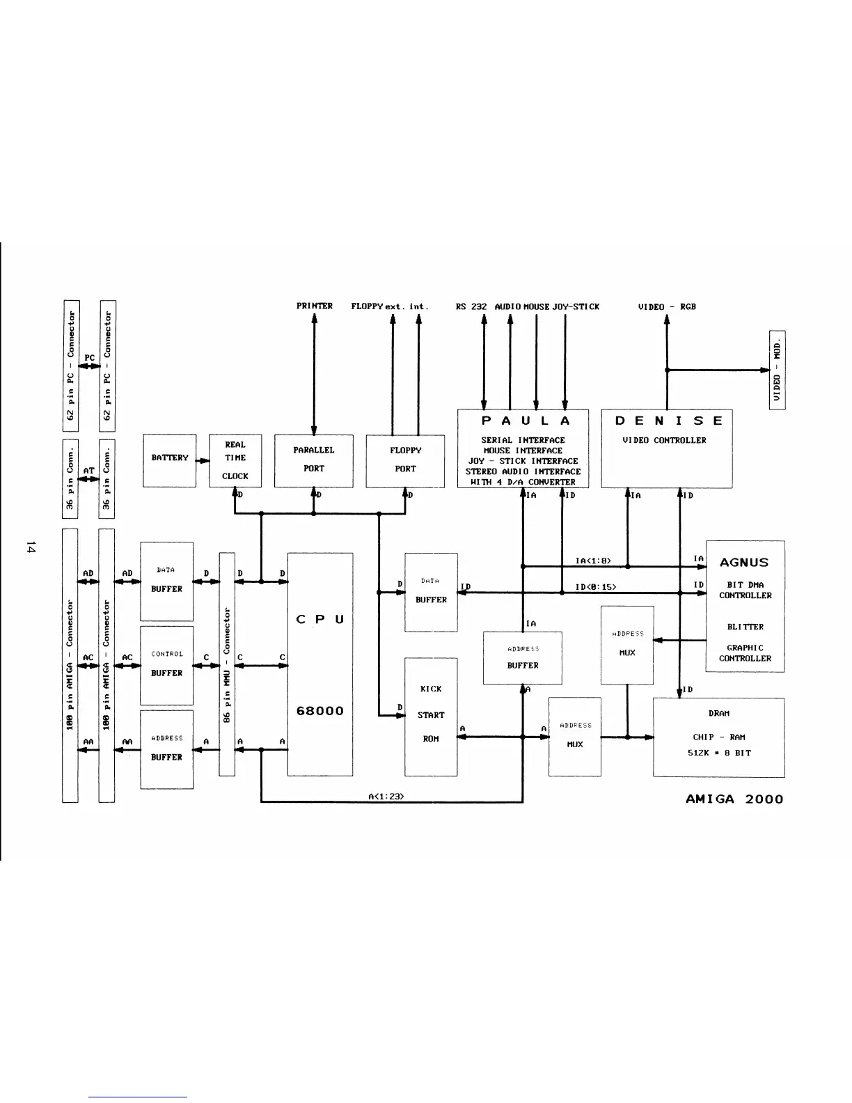
Commodore Amiga A500 - Amiga 2000 Block Diagram

Commodore Amiga A500
283 pages
Print Icon
To Next Page IconTo Next Page
To Next Page IconTo Next Page
To Previous Page IconTo Previous Page
To Previous Page IconTo Previous Page
Loading...
PRINTER FLOPPY
ext
int
.
RS
232
AUDIO UOUSEJOY-STICK
VIDEO
-
RGB
A
1
A
1
L
9
U
U
e
c
.M
.m
P P
9
N N
T
.
A
v
PAULA
REAL
F
W
DENISE
0
0
I
l
0
W
2
>
SERI AL
l
NTERFACE
L
H
BfimRy Tl ME PARALLEL FLOPPY JOY MOUSE
-
STICK INTERFACE INTERFACE
V1 DEO CONTROLLER
STEREO AUDIO INTERFACE
HIM
4
D/A CONVERTER
U
AT
Q
.-
.-
CLOCK
P
D
41
fi
11
D
110
AI
D
PORT
rD
m
PORT
IA<1:8>
-
"
AGNUS
T
HDI~PE
C
4
MUX
GRAPH
I
C
CONTROLLER
.
I D
-
D
--C
START DRAM
-
UHT"
AD
U
I
d
P
'4-m
-
m
-
ID<€l'15>
ID
BITDMA
CONTROLLER
I
A
0
U
I
D
CHIP
-
RAM
51ZK
+
8
BIT
D
BLI
lTER
68000
D
l
AC
rl
C
C
-
'-
f
AA
C-
0
k
+
C
~0tiTFuL
D
c--)
c
E
I
a
5
.m
&
-
5
0
U
kItnrEbC
BUFFER
CPU
IIHTH
BUFFER
BUFFER
e
a
E
5
c
.M
a
A
m
-4-
-
L2
2
4
'
v'
A A
A<1'23>
AMIGA
2000
C),
BUFFER
3
I
X
5
.M
P
r~

Related product manuals