EasyManua.ls Logo

Commodore CDTV - Page 18

Commodore CDTV
23 pages
Print Icon
To Next Page IconTo Next Page
To Next Page IconTo Next Page
To Previous Page IconTo Previous Page
To Previous Page IconTo Previous Page
Loading...
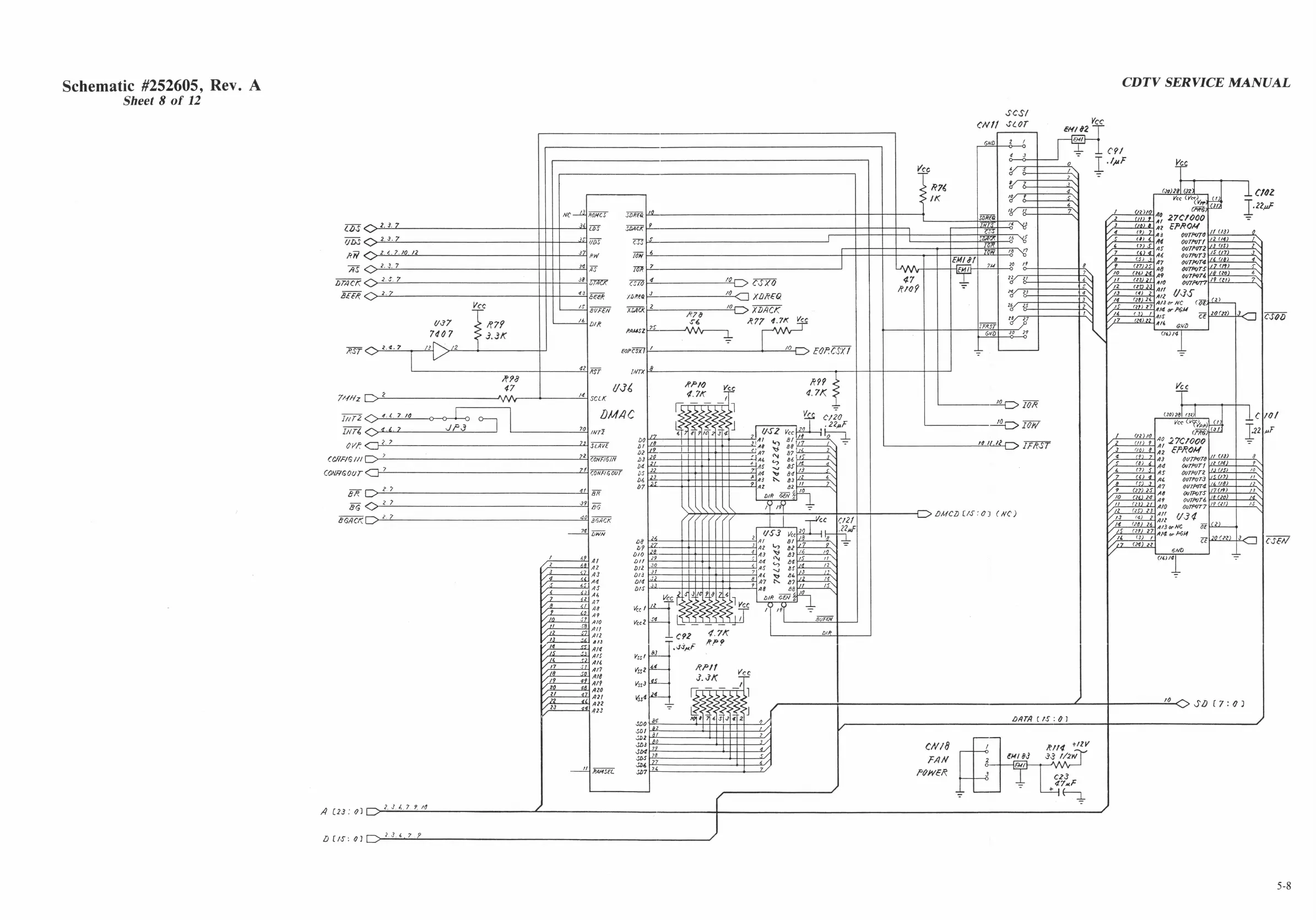
Schematic #252605, Rev. A
Sheet 8 of 12
CDTV SERVICE MANUAL
scs/
ca/tt s tö r
7ms O
AS O
d tac kO 7-
T iS T O
7HHz O
jZT1<> jL L U S l
TÄrZ O
ocn<O
CCfIF/GI/l O-*-
cwRsoor < StL
s F O
BG O
ecACK O
c«; *1
ß US : 01 o L Li-L iZ
r 2 >
J9
v *■?
40
74
/
6?
/ * 68
/ 1
<7
/ 4 ii
/ S
60
/<
iO
/ ?
U
/ d </
/ ?
iO
/ /Q
0?
/ v sd
/ tl
07
/ f i
S6
V M SS
/ /S
S3
//4
SZ
/ n
01
/ > so
/ n
49
/ 20
46
/ Zf
47
/ n
4L
/ M
____
11
c1eä7
5-8

Related product manuals