EasyManua.ls Logo

Commodore Plus 4 - Setting up your Commodore Plus;4

Commodore Plus 4
26 pages
Print Icon
To Next Page IconTo Next Page
To Next Page IconTo Next Page
To Previous Page IconTo Previous Page
To Previous Page IconTo Previous Page
Loading...
COLOR IN
LUI1 IN
i"B
AUDIO IN
RCA. PHONO
LIe II
~f
QI'---~
"uoo
vv
.R4
-l[ ~..\,:...,
00
,~ .Roll
~~ ~o
Q(~
Q2 C2~ 2.20f
__ 'A" ""
('4
CS
.... __ L'2
~22P
.2201"
Df ~--
10µY~t----:o;::,-"-+----' LU
MM
ou
TT
I\(~> ()..~
CJ '"
Q(~ --
.JJOP (\)"':.
'i) \:) "\ .'
COMP OuT
tv
1.1
"> .... "\ ""
£!
...., 1\("
1\(,
fUa. <t,7)(-../0*
(/7
I{,P
RId ~~ RIS
CI2!~ -~
CIS" elf( 1<21
,, sM' R.14
C8
.2.71<. ~3P:~ ,: Dj '"
pp
'WO'
1.20P
~8-ISO_
,)60 47WDP
l4
C/o
rr
II
L6 \)
\'I ~~
-L ~~
10';;
r.
Qj
LS ~~ ~~ ~~ ~~
oo
HH
'l..
SP CI '-..
v/<?'-I ~~ ~~
D4
I). ~~
'X)/'F
tt LL
l'-
=i=§
"1
iL
'lJ
C9
,::= ~~
.\<
II ""
II(,+::~
I'j -~
Cl6
CIFi
==
LL
'7 ~~ ~~
<.> '" ~~ ~~
22P 'O,,:J.2P __ ..leI" ~~
"I
.33P
.)'11' -- "" "-
LL
--<H--4I---""'-- Q(..
<-.
'221"
'< ~~ \)
"I
'9-
i\(
\j ~~ '"
Q( -"
'------:-:-;+---..,L' 88 "" ~~
55
'"
1.,1
'y.
'" II
R2J ~~
!( ..
~~ 2.21<. C2.~
04
II
L.. ''
OJ --
vv
C22
CC
20 /0--« ''
"lQ)P
2200 /<?2S· R.2~
as
6JJJ<
<1.8
I<:
t"~Pj
RF
our
LL
==
HH
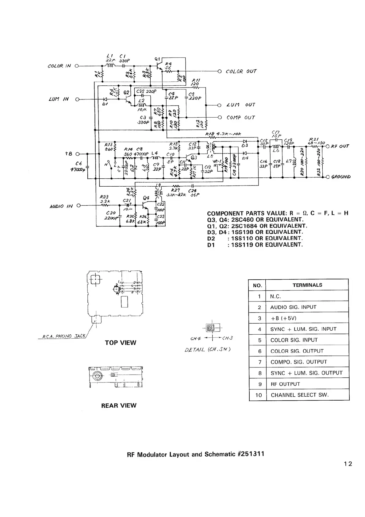
Q1, Q2: 2SC1684 OR EQUIVALENT.
03, 04: 1SS198 OR EQUIVALENT.
02 ::1SS110 OR EQUIVALENT.
01 ::1SS119 OR EQUIVALENT.
NO.
TERMINALS
11
N.C.
22
AUDIO SIG. INPUT
33
+B (+5V)
44
SYNC+ LUM. SIG. INPUT
55
COLOR SIG. INPUT
66
COLOR SIG. OUTPUT
77
COMPO. SIG. OUTPUT
88
SYNC+ LUM. SIG. OUTPUT
99
RF OUTPUT
10
CHANNEL SELECT SW.
[[
oo
,,
..
'-l
CH¢
••II ••
CH3
TOP VIEW
D.ETAIL (CN.SH)
REAR VIEW
RF Modulator Layout and Schematic #251311
12

Other manuals for Commodore Plus 4

Related product manuals