EasyManua.ls Logo

CompAir C42 - Generator switchbox wiring diagram 8 KVA and 12 KVA 400;230 V; Generator switchbox wiring diagram 7 kVA 110 V

CompAir C42
59 pages
Print Icon
To Next Page IconTo Next Page
To Next Page IconTo Next Page
To Previous Page IconTo Previous Page
To Previous Page IconTo Previous Page
Loading...
104
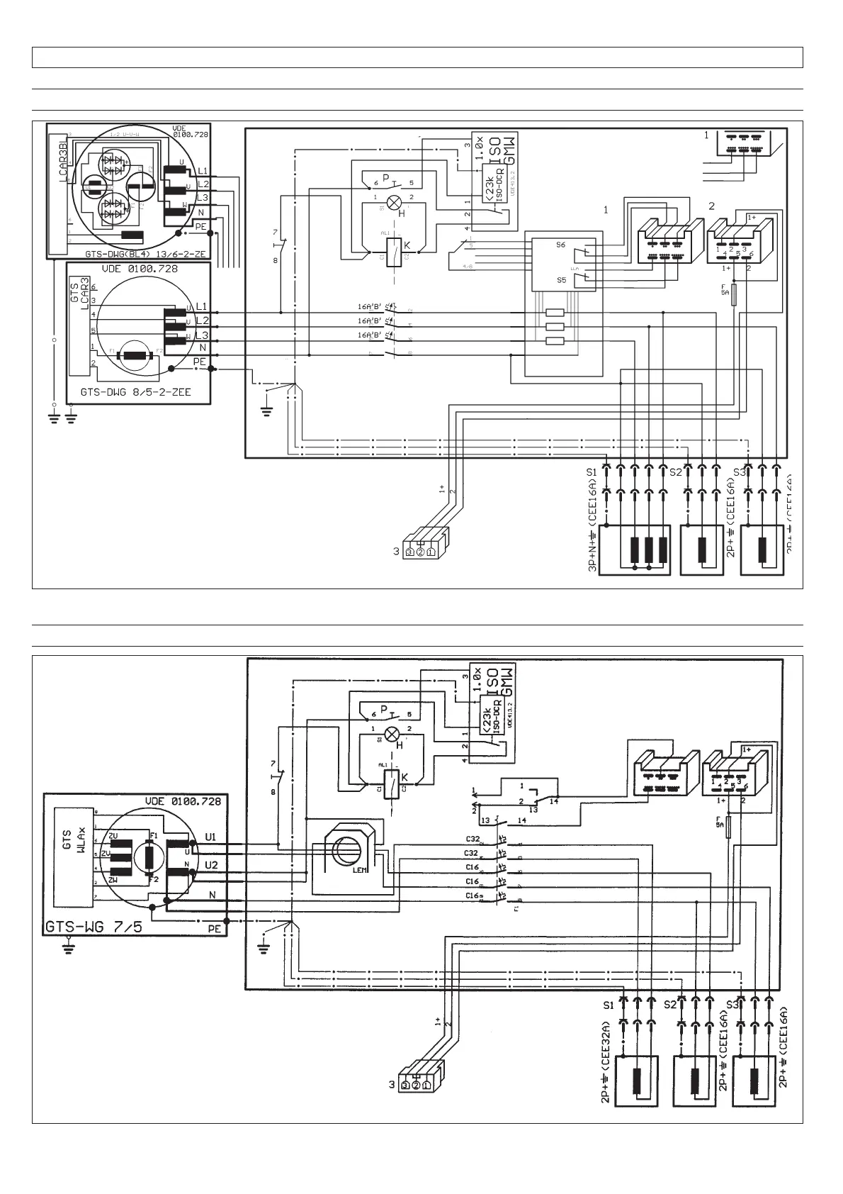
11. Generator option
11.9 Generator switchbox wiring diagram 8 KVA and 12 KVA 400/230 V
Fig. 36
11.10 Generator switchbox wiring diagram 7 KVA 110 V
Fig. 37
ELECTRONIC GENERATOR REGULATOR FOR BRUSH-
LESS SYNCHRONOUS GENERATOR
PROTECTIVE ISOLATION WITH INSULATION MONITORING
AND FUSING/CIRCUIT BREAKING FOR ALL POLES
K = OPERATING CURRENT CIRCUIT BREAKER
H =INSULATION FAULT INDICATOR LAMP
R = GMW/ISO INSULATION MONITOR
P = TEST BUTTON
RESET BUTTON
FOR ISO MODULE
OPTIONAL
6-PIN CONNECTOR
CONTACTS VIEW
YELLOW
GREY
PINK
COLOURS FOR PROGRAM
VERSION 1.022
YELLOW/GREEN
GREEN
YELLOW
GREEN
ELECTRONIC GENERATOR
REGULATOR
ELECTRONIC EVALUATION
SYSTEM, SWITCHES
AND␣ 6-PIN CONNECTOR,
OPTIONAL
GREY
YELLOW
GREEN
BROWN
WHITE
BLACK
BROWN
WHITE
BROWN
WHITE
BLACK
BLUE
YELLOW/GREEN
ELECTRONIC
EVALUATION
SYSTEM
PRESSURE
AUTO NO-LOAD
BROWN
YELLOW/GREEN
BLUE
OPTIONAL, EXTERNAL PE CONNECTION
ATTENTION:
TRIP-FREE RELEASING OF
ALL CIRCUIT BREAKERS
COUPLED
EVALUATION CARD
POWER SUPPLY
AUTOMATIC NO-LOAD OPERATION
PRESSURE REDUCTION
SWITCHBOX
TOTAL LENGTH OF
EQUIPMENT SUPPLY
CABLES
< 250M
EXAMPLE:
LOAD PROTECTION
CLASS␣ I
(ALSO CLASS II/SEE
OPERATING MANUAL)
CONNECTION WITH COMPR.
WIRING HARNESS
INSERTION SIDE VIEW
YELLOW/GREEN
BROWN
WHITE
BLACK
BLUE
GREY
YELLOW
PINK
COLOURS FOR PROGRAM
VERSION 1.10
3PH Y L LOAD AC L LOAD AC L LOAD
3m
3m
3m
RED
GREY
1/2 U VIOLET
1/2 V VIOLET
1/2 W VIOLET
RED
GREY
PROTECTIVE ISOLATION WITH INSULATION MONITORING
AND FUSING/CIRCUIT BREAKING FOR ALL POLES
K = OPERATING CURRENT CIRCUIT BREAKER
H =INSULATION FAULT INDICATOR LAMP
R = GMW/ISO INSULATION MONITOR
P = TEST BUTTON
RESET BUTTON
FOR ISO MODULE
6-PIN CONNECTOR
CONTACTS VIEW
YELLOW/GREEN
YELLOW
GREEN
ELECTRONIC
GENERATOR
REGULATOR
BLACK
BROWN
BLACK
BLUE
BROWN
YELLOW/GREEN
BLUE
OPTIONAL, EXTERNAL PE CONNECTION
ATTENTION:
TRIP-FREE RELEASING OF
ALL CIRCUIT BREAKERS
COUPLED
POWER SUPPLY
AUTOMATIC NO-LOAD OPERATION
PRESSURE REDUCTION
SWITCHBOX
TOTAL LENGTH OF
EQUIPMENT SUPPLY
CABLES
< 250M
EXAMPLE:
LOAD PROTECTION
CLASS␣ I
(ALSO CLASS II/SEE
OPERATING MANUAL)
CONNECTION WITH COMPR.
WIRING HARNESS
INSERTION SIDE VIEW
YELLOW/GREEN
AC-L-LOAD AC-L-LOAD AC-L-LOAD
MECHANICAL
COUPLING TO F1
TO 4 POLE
AMP PLUG ON
WLAX
MODE SELECTOR SWITCH
POSITION 1: OPEN
POSITION 2: CLOSED
CURRENT CONVERTER
ON WLAX CONTROLLER
YELLOW/GREEN

Related product manuals