EasyManua.ls Logo

Control Techniques UNI 1402 - Page 17

Control Techniques UNI 1402
57 pages
Print Icon
To Next Page IconTo Next Page
To Next Page IconTo Next Page
To Previous Page IconTo Previous Page
To Previous Page IconTo Previous Page
Loading...
connections
17
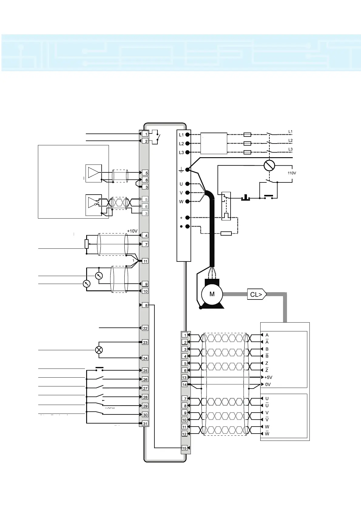
Typical power and default signal connections for speed
control in terminal mode
Status relay
Drive normal
Connections for
single-ended input
signal
Connections for
differential input
signal
Signal
connector
Power
terminals
Analog frequency/speed
reference 1 (remote)
Analog
frequency/speed
reference 2 (local)
SPEED
TORQUE
Analog input 3
Motor thermistor
RESET
JOG SELECT
RUN FORWARD
RUN REVERSE
LOCAL/REMOTE
DRIVE ENABLE
REMOTE
OV common
OV common
OV common
OV common
OV common
Optional
RFI filter
Thermal
protection
device
Stop
Braking resistor
Encoder
Incremental
signal
connections for
all encoders
communication
signal
connectiona for
servo-encoders
Encoder
connector
15-way
D-type
Start/
Reset
+24V
LOCAL

Related product manuals