EasyManua.ls Logo

CORBERO CLVM4524X - Connection of Drain Hoses

CORBERO CLVM4524X
Print Icon
To Next Page IconTo Next Page
To Next Page IconTo Next Page
To Previous Page IconTo Previous Page
To Previous Page IconTo Previous Page
Loading...
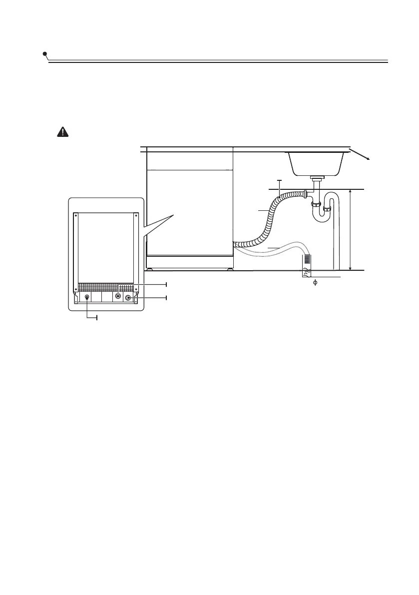
Connection Of Drain Hoses
Please securely fix the drain hose in either position A or position B
B
A
MAX 1000 mm
Counter
Drain hose
Insert the drain hose into a drain pipe with a minimum diameter of 4 cm, or let it run
into the sink, making sure to avoid bending or crimping it. The height of drain pipe
must be less than 1000 mm. The free end of the hose must not be immersed in water
to avoid the back flow of it.
Extension hose
Water outlet
How to drain excess water from hoses
Syphon connection
If the connection to the drain pipe is positioned higher than 1000 mm, excess water
may remain in the drain hose. the hose It will be necessary to drain excess water from
into a bowl or suitable container that is held outside and lower than the sink.
Connect the water drain hose. The drain hose must be correctly fitted to avoid water
leaks. Ensure that the water drain hose is not kinked or squashed.
The waste connection must be at a height less than (maximum) from the
bottom of the .
1000 mm
dishwasher
If you need a drain hose extension, make sure to use a similar drain hose.
It must not be longer than 4 meters, otherwise the cleaning effect of the dishwasher
could be reduced.
19
Back of dishwasher
Water Inlet
Drain Pipe
Mains Cable
40 mm
Drain Pipe

Table of Contents

Related product manuals