EasyManua.ls Logo

CountyLine 17306 - Page 26

CountyLine 17306
28 pages
Print Icon
To Next Page IconTo Next Page
To Next Page IconTo Next Page
To Previous Page IconTo Previous Page
To Previous Page IconTo Previous Page
Loading...
Operator’s Manual
17306 CRT Tiller
26 For additional information email info@ardisam.com or call 800-345-6007 M-F 8-5
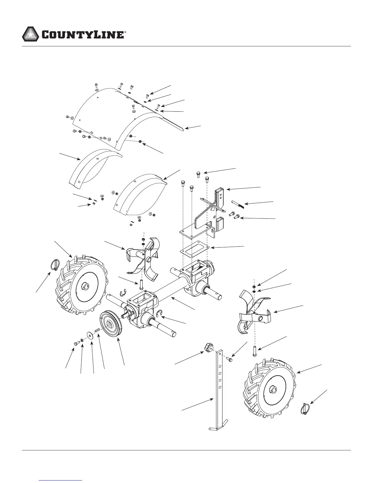
CRT TINES & HOOD PARTS
4
5
6
7
8b
10
9
15
16
17
14
13
12
11
18
4
8a
4
7
11
24
2
19
25
14
1
2
3
23
20
21
21
22
23
26

Related product manuals