EasyManua.ls Logo

Coustic D-block - Page 6

Default Icon
32 pages
Print Icon
To Next Page IconTo Next Page
To Next Page IconTo Next Page
To Previous Page IconTo Previous Page
To Previous Page IconTo Previous Page
Loading...
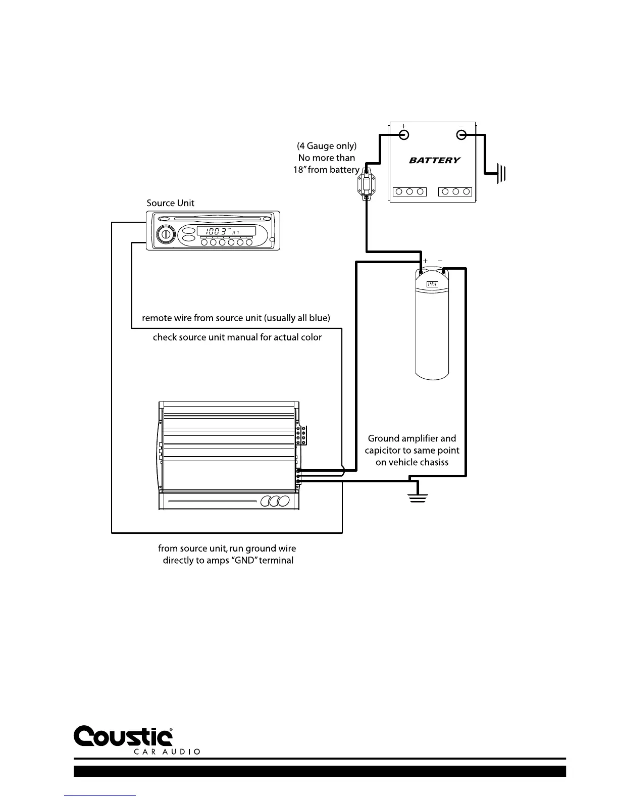
WIRING DIAGRAM (CHARGING SYSTEM)
1 Farad
Stiffening
Capacitor

Related product manuals