EasyManua.ls Logo

Craftsman 247 - Page 29

Craftsman 247
64 pages
Print Icon
To Next Page IconTo Next Page
To Next Page IconTo Next Page
To Previous Page IconTo Previous Page
To Previous Page IconTo Previous Page
Loading...
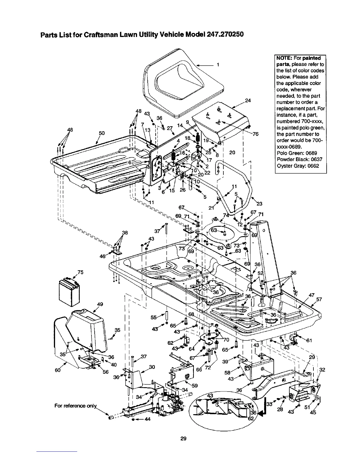
Parts List for Craftsman Lawn Utility Vehicle Model 247.270250
I
I
Iii
llq
111
III
IL_
5O
48
2O
I
I
I
I
I
NOTE: For painted
parts, please refer to
the list of color codes
below. Please add
the applicable color
code, wherever
needed, to the part
number to order a
replacement part. For
instance, if a part,
numbered 700-xxxx,
ispainted polo green,
the part number to
order would be 700-
xxxx-0689.
Polo Green: 0689
Powder Black: 0637
Oyster Gray: 0662
75
49
/
47
1
32
For reference only_
29

Related product manuals