EasyManua.ls Logo

Craftsman 486.24331 - Page 14

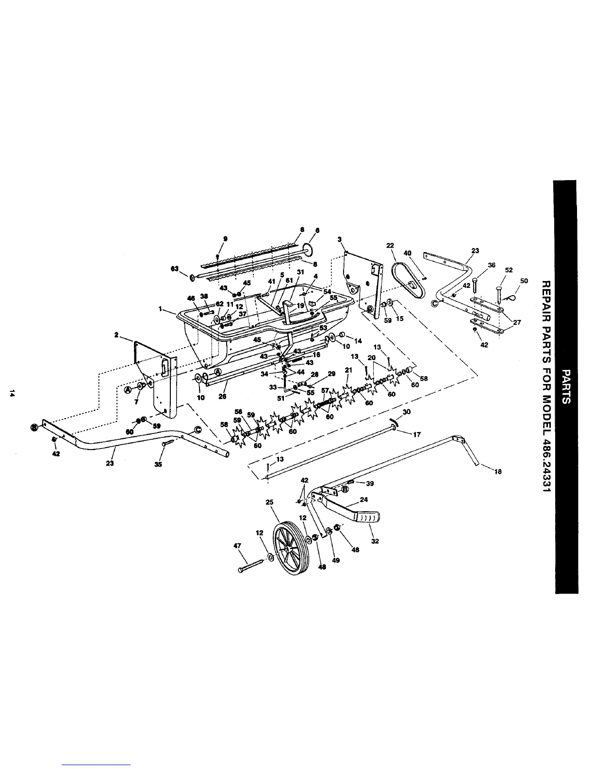
Craftsman 486.24331
16 pages
Print Icon
To Next Page IconTo Next Page
To Next Page IconTo Next Page
To Previous Page IconTo Previous Page
To Previous Page IconTo Previous Page
Loading...
\
42
25
12
\
32
47
\ 49
48