EasyManua.ls Logo

Craftsman 486.24839 - Parts

Craftsman 486.24839
28 pages
Print Icon
To Next Page IconTo Next Page
To Next Page IconTo Next Page
To Previous Page IconTo Previous Page
To Previous Page IconTo Previous Page
Loading...
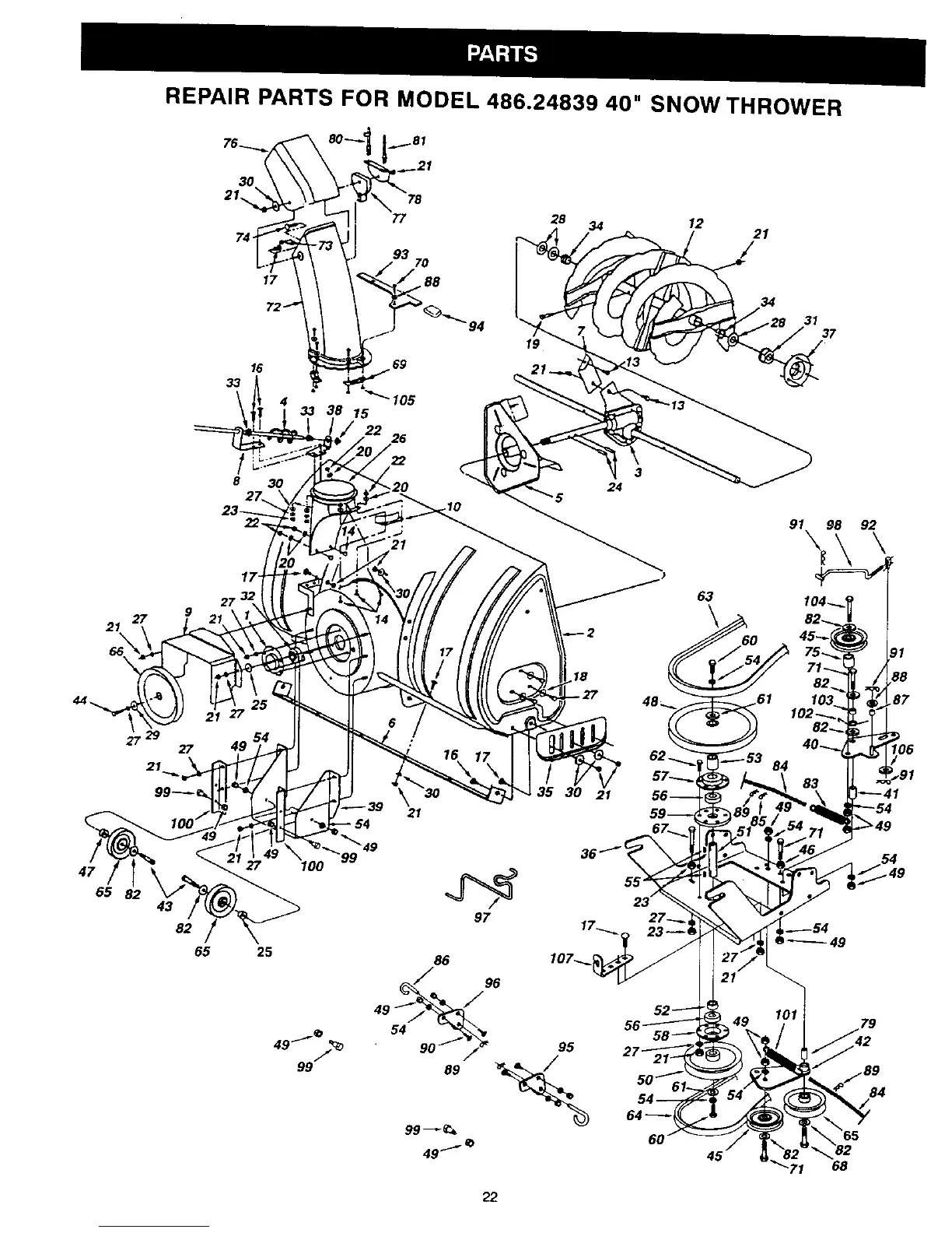
REPAIR PARTS FOR MODEL 486.24839 40" SNOW THROWER
74
17
16
33
!
8 30
23_-
78
77 28
21
94
19
34 12
21
/
34
31
91
37
98 92
\
27
21
27 29
21
47
65
9
43
82
65
49
100
25
7 o
49 _
99
22
95
/
64_
60
63
\
45
49
68
.87
84

Related product manuals