EasyManua.ls Logo

Craftsman 536.773521 - Page 32

Craftsman 536.773521
38 pages
Print Icon
To Next Page IconTo Next Page
To Next Page IconTo Next Page
To Previous Page IconTo Previous Page
To Previous Page IconTo Previous Page
Loading...
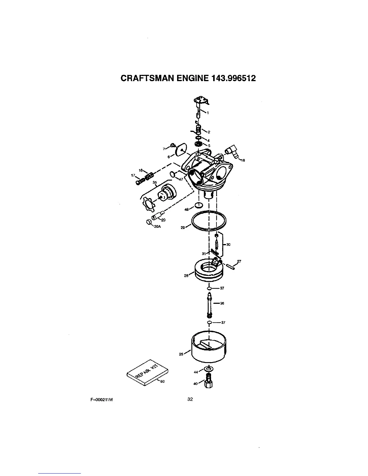
CRAFTSMAN ENGINE 143.996512
_37
40
F-OOO211M 32

Related product manuals