EasyManua.ls Logo

Craftsman 917.270921 - Engine

Craftsman 917.270921
60 pages
Print Icon
To Next Page IconTo Next Page
To Next Page IconTo Next Page
To Previous Page IconTo Previous Page
To Previous Page IconTo Previous Page
Loading...
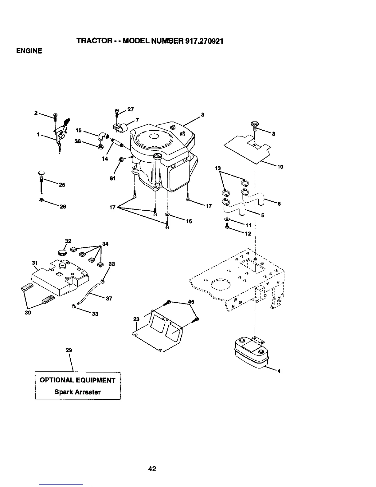
ENGINE
TRACTOR - - MODEL NUMBER 917.270921
2
1_ 38
39
31
14
81
i
13
33
23
29
\
OPTIONAL EQUIPMENT I
Spark Arrester
42

Table of Contents

Related product manuals