EasyManua.ls Logo

Craftsman 917.272921 - Tractor Model Number 917.272921 Ground Drive

Craftsman 917.272921
56 pages
Print Icon
To Next Page IconTo Next Page
To Next Page IconTo Next Page
To Previous Page IconTo Previous Page
To Previous Page IconTo Previous Page
Loading...
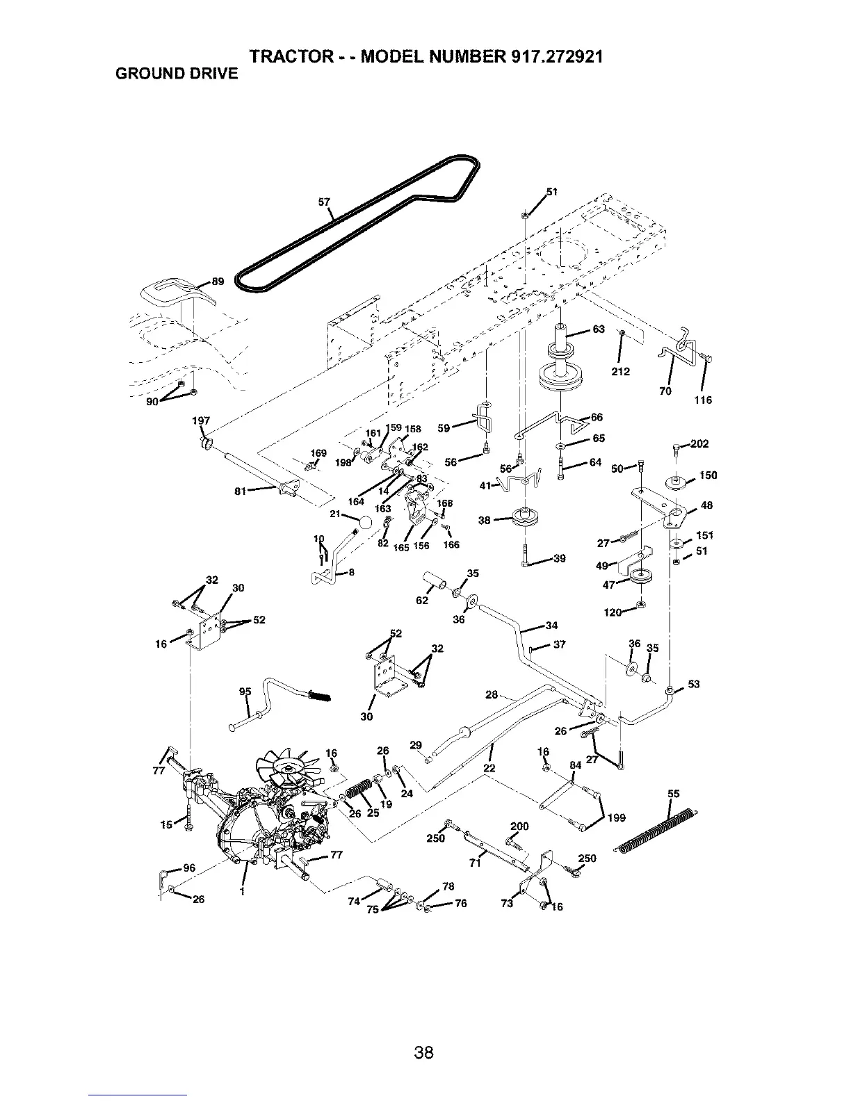
TRACTOR - - MODEL NUMBER 917.272921
GROUND DRIVE
36
26 1_ '
22 . 84
38

Table of Contents

Related product manuals