EasyManua.ls Logo

Craftsman 917.374821 - Page 40

Craftsman 917.374821
48 pages
Print Icon
To Next Page IconTo Next Page
To Next Page IconTo Next Page
To Previous Page IconTo Previous Page
To Previous Page IconTo Previous Page
Loading...
4:_
O
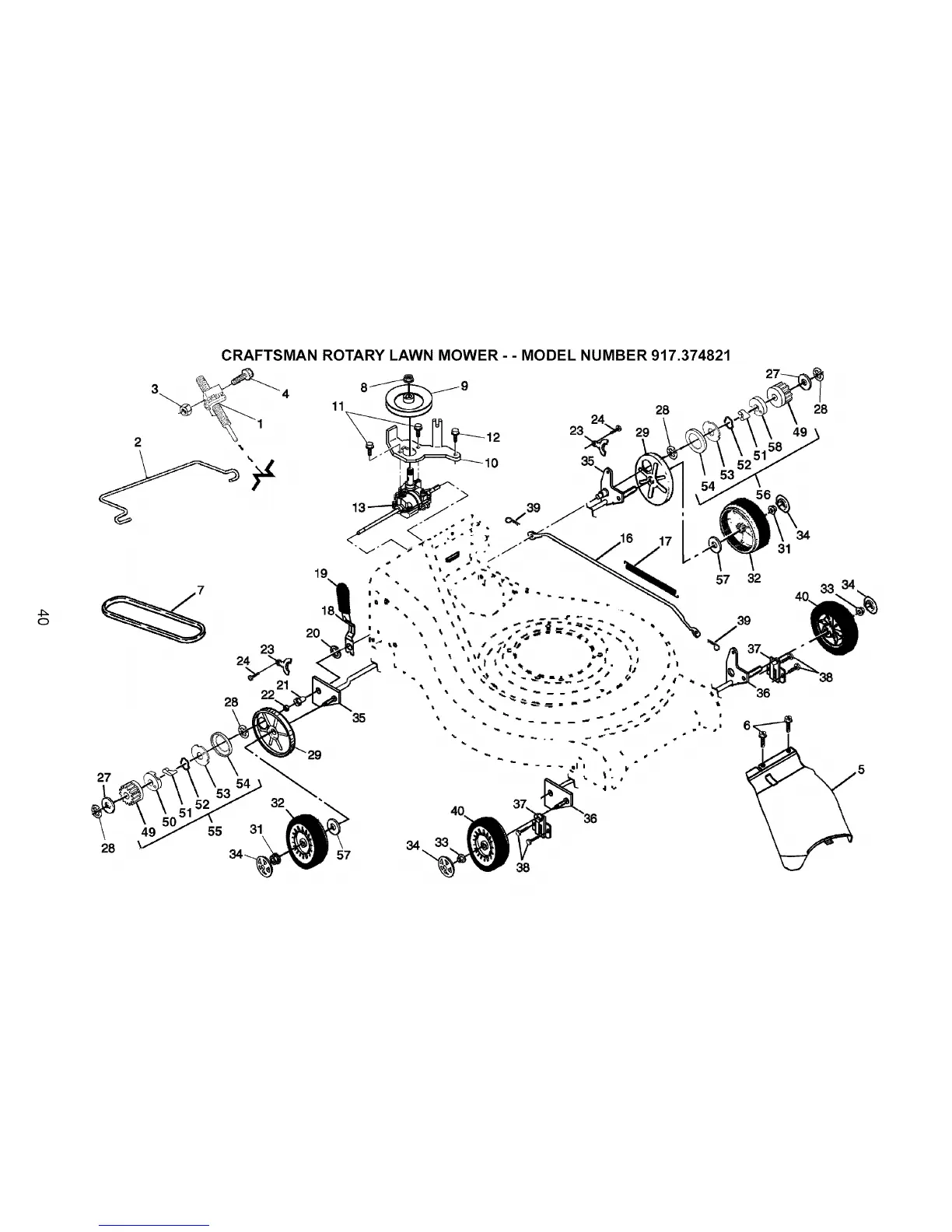
CRAFTSMAN ROTARY LAWN MOWER - . MODEL NUMBER 917.374821
28
27
28
49 55
23
19
18
20
28
23 29
35
57 32
_,,, 39
36
28
49
34
31
3334
5

Related product manuals